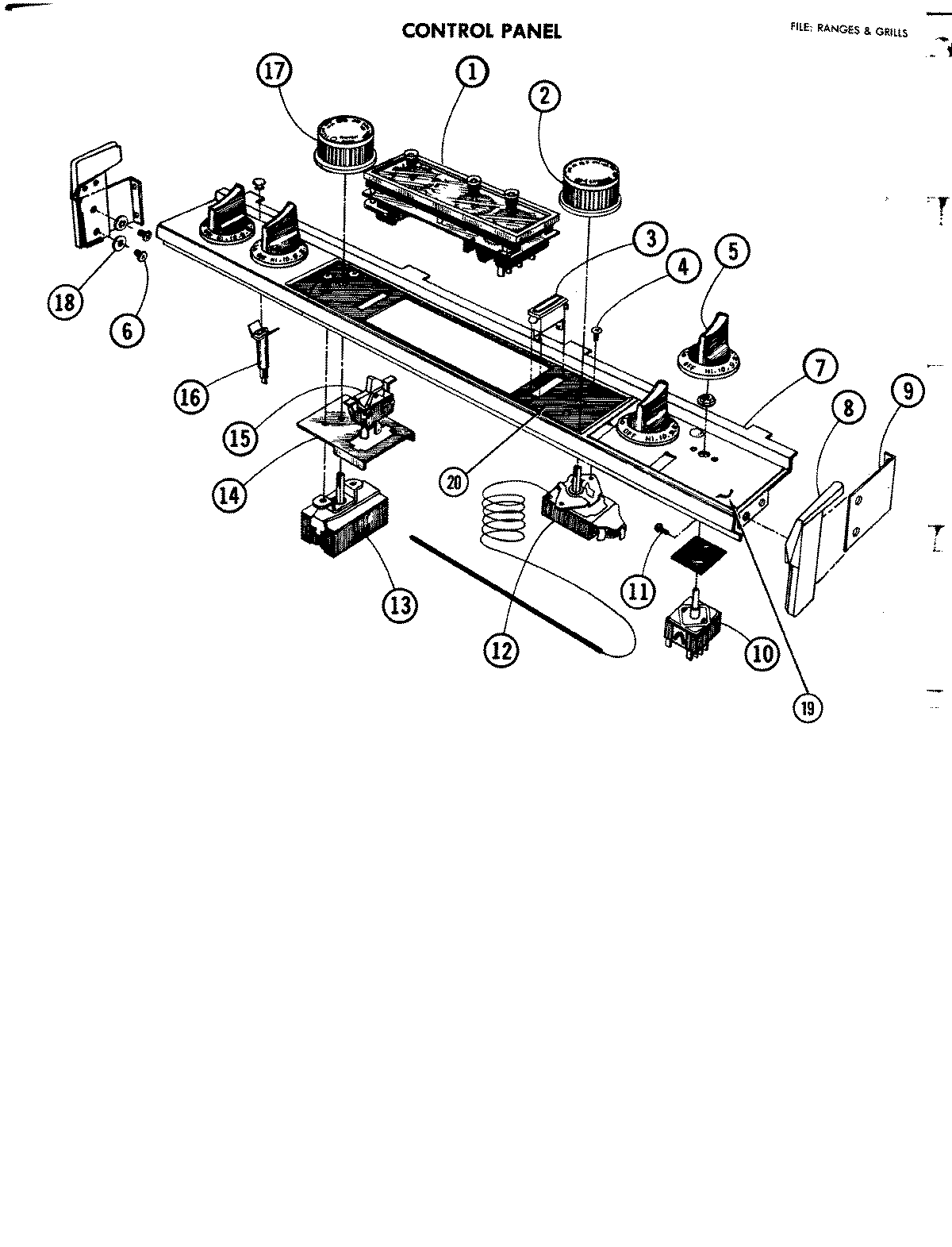
88168 03 – CONTROL PANELadmin2025-04-26T09:24:44+00:0088168 03 – CONTROL PANEL ProductsPositionProduct2MAY Y7156003MAY 7157564MAY Y7071505MAY Y7076977MAY 7158847MAY Y7087337MAY 7000148MAY 7153798MAY 7153809MAY 71540610MAY 70799010MAY Y70000911MAY Y70734112MAY 70015813MAY 71539814MAY 71539515MAY 71539716MAY 71539617MAY 71550917MAY 71551017MAY 71557119MAY 71221720MAY 71220720MAY 71220620MAY 71217320MAY 712172