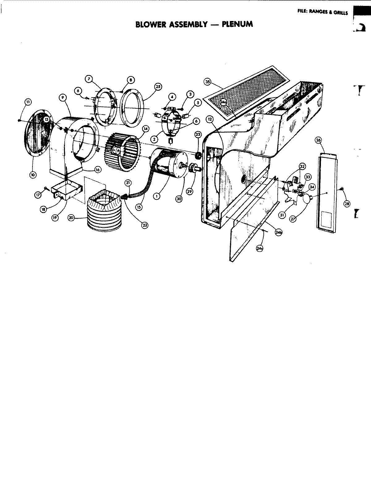
88169 02 – BLOWER ASSEMBLYadmin2025-04-26T09:21:56+00:0088169 02 – BLOWER ASSEMBLY ProductsPositionProduct1MAY 7153622MAY Y7157583MAY Y7074025MAY 7157577MAY 7153658MAY 7071169NO LONGER AVAILABLE12MAY 71595913MAY 70716114MAY 71536315MAY Y70775816MAY 71574917MAY 71548518MAY 71538919NO LONGER AVAILABLE20MAY 71555721MAY 70818522MAY 70708523MAY 71539224MAY Y70808824MAY 71548424NO LONGER AVAILABLE24MAY 70002025MAY 70013825MAY 71536426MAY 70820427MAY 70823828MAY Y70000229MAY 71589130MAY 71580431MAY 71572932MAY 71589033MAY 71554034MAY 71595835MAY Y715290