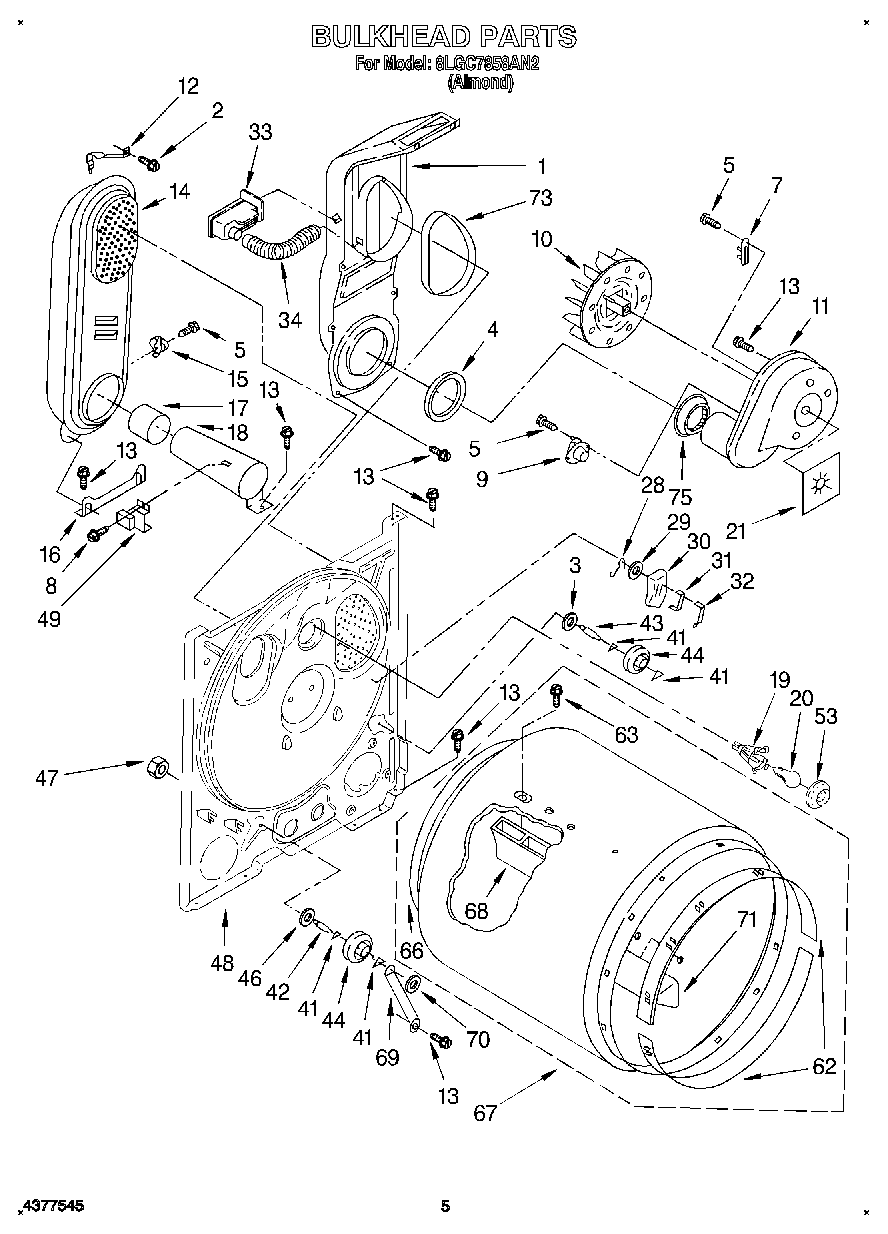
8LGC7858AN2 03 – BULKHEADadmin2025-04-26T12:36:16+00:008LGC7858AN2 03 – BULKHEAD ProductsPositionProduct1Lint Chute Assembly2WP489463 Whirlpool Refrigerator Screw3WP3388703 Whirlpool Washer4W11415783 Whirlpool Seal5WP90767 Whirlpool Screw7WP3392519 Whirlpool Dryer Thermal Fuse8WP3390631 Whirlpool Screw9WP3387134 Whirlpool Dryer Cycling Thermostat10WP694089 Whirlpool Dryer Blower Wheel11Housing, Blower12279771 Whirlpool Clip13SCREW15W11050897 Whirlpool Dryer High Limit Thermostat15Thermostat SPST (205)16Support, Heater Box18279900 Whirlpool Box O/S119Socket Assembly20RANGE ONLY 40W 120V APPL BULB21Seal, Blower28WP342267 Whirlpool Clip29WP298877 Whirlpool Washer30SENSOR KIT31WP348859 Whirlpool Electrode Assembly32WP348860 Whirlpool Electrode33Alert, Lint34Hose, Differential41WPW10512946 Whirlpool Dryer Tri-Ring Drum Roller42SHAFT SUPPORT ROLLER DRYER43SHAFT SUPPORT ROLLER DRYER44349241T Whirlpool Dryer Drum Support Roller Kit46WP348197 Whirlpool Washer Assembly47WP3359452 Whirlpool Nut48Bulkhead49WP338906 Whirlpool Dryer Gas Sensor53Lens, Drum Light62279441 Whirlpool Front Bearing Ring63WPW10109200 Whirlpool Screw66279408 Whirlpool Dryer Rear Drum Seal67W10899578 Whirlpool Dryer Drum Assembly68BAFFLE-DRM69W11684613 Whirlpool Bracket70WP90296 Whirlpool Clip71WP3403636 Whirlpool Drum Baffle73SEAL75W11233063 Whirlpool Shield Assembly