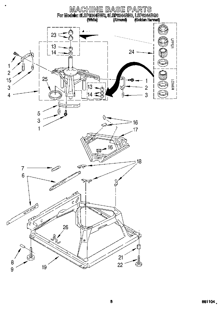
8LSP6244BG0 06 – MACHINE BASE