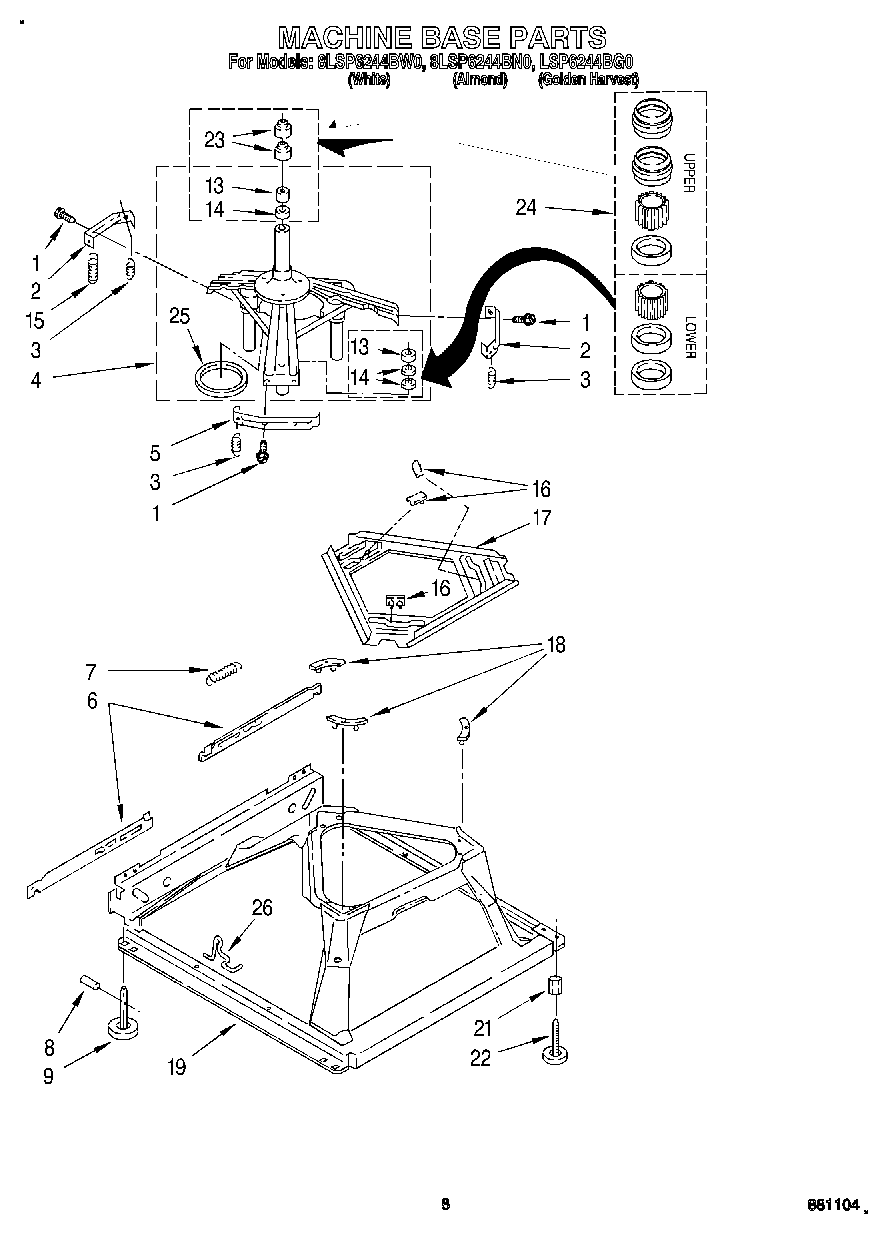
8LSP6244BN0 06 – MACHINE BASE