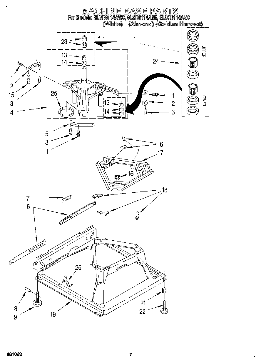
8LSR6114AN0 05 – MACHINE BASEadmin2025-04-26T12:36:19+00:008LSR6114AN0 05 – MACHINE BASE ProductsPositionProduct1SCREW2WP64067 Whirlpool Bracket3WP63907 Whirlpool Washer Suspension Spring4Support & Brake, Tub5Bracket, Spring Outer (L.F.)6Link, Leveling Mechanism (2)78316845 Whirlpool Washer Spring8WP62837 Whirlpool Dowel Pin9285244 Whirlpool Leveling Feet13WP8546455 Whirlpool Bearing14W11095997 Whirlpool Seal15WPW10250667 Whirlpool Washer Suspension Spring16285219 Whirlpool Washer Suspension Plate Friction Pads 3 Pack17WP3946509 Whirlpool Skate Plate18285744 Whirlpool Washer Tub Suspension Rod Kit Pad 3 Pack19Base Assembly (Includes Illus, 6, 7, 8, 9, 18 & 26)21WP3359452 Whirlpool Nut22WPW10001130 Whirlpool Leveling Leg23WP8577376 Whirlpool Seal24285203 Whirlpool CP Bearing25WP63134 Whirlpool Ring26WPW10145155 Whirlpool Retainer