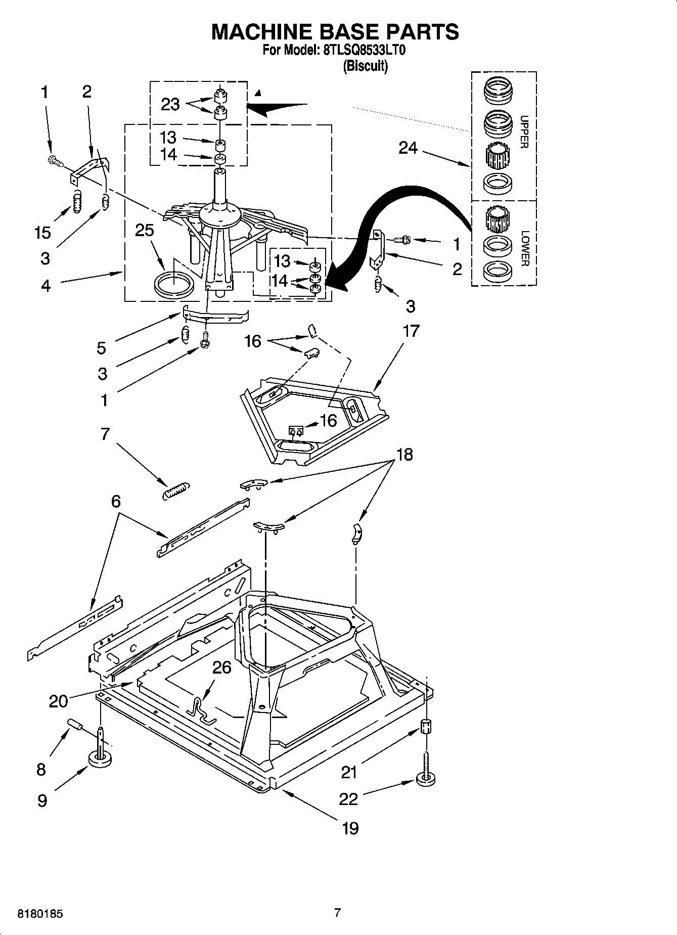
8TLSQ8533LT0 04 – MACHINE BASE PARTS