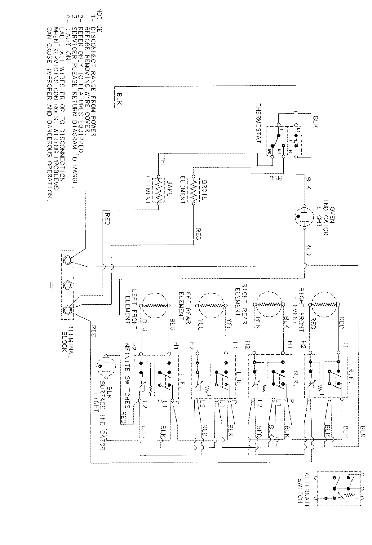
90138 05 – WIRING INFORMATIONadmin2025-04-26T09:24:41+00:0090138 05 – WIRING INFORMATION ProductsPositionProductNIMAY 15002164