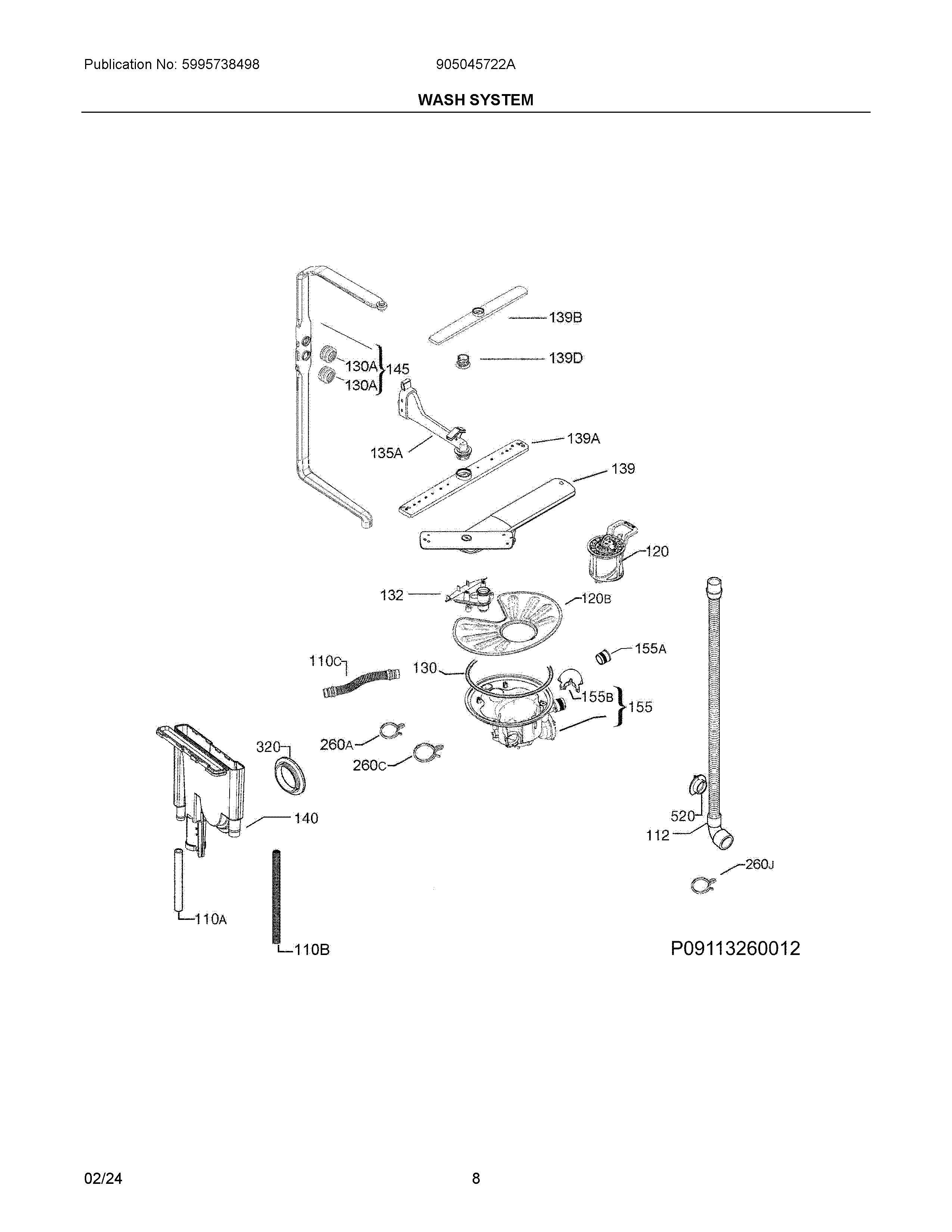
905045722A 05 – WASH SYSTEMadmin2025-04-26T08:49:29+00:00905045722A 05 – WASH SYSTEM ProductsPositionProductNISCREW, SUMP, 4 X 15, (4), & SPRAY ARM110A807526501 Frigidaire Dishwasher Tubing Assembly110CA01256402 Frigidaire Dishwasher Hose110B117281425 Frigidaire Dishwasher Hose112807032601 Frigidaire Dishwasher Hose120B808429704 Frigidaire Dishwasher Filter120A00201409 Frigidaire Dishwasher Drain Filter130111918600 Frigidaire Dishwasher O-Ring130AA00045701 Frigidaire Dishwasher Seal132A11243702 Frigidaire Dishwasher Spray Arm135AA00060305 Frigidaire Dishwasher Duct Assembly139B807382106 Frigidaire Dishwasher Upper Spray Arm139D807035801 Frigidaire Wash Arm Bearing139AA05814602 Frigidaire Dishwasher Spray Arm139111922663 Frigidaire Dishwasher Spray Arm140A01087405 Frigidaire Dishwasher Water Tank145A00023201 Frigidaire Dishwasher Spray Arm Manifold1555304520660 Frigidaire Dishwasher Sump Assembly155AA00053601 Frigidaire Dishwasher Flapper155B111917701 Frigidaire Dishwasher Screen260C807868903 Frigidaire Dishwasher Clamp260J807868901 Frigidaire Dishwasher Clamp260A807868902 Frigidaire Dishwasher Clamp320152627221 Frigidaire Dishwasher GRILL520807201901 Frigidaire Dishwasher Flange