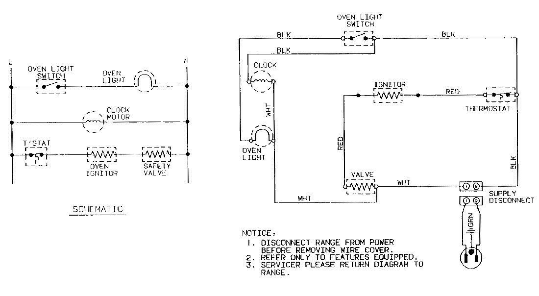
9112VPV 06 – WIRING INFORMATIONadmin2025-04-26T09:26:52+00:009112VPV 06 – WIRING INFORMATION ProductsPositionProductNIMAY 15001163