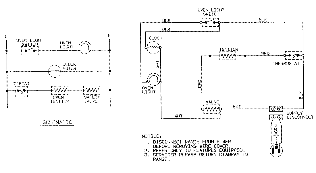
9112WPW 07 – WIRING INFORMATIONadmin2025-04-26T09:26:47+00:009112WPW 07 – WIRING INFORMATION ProductsPositionProductNIMAY 15001163