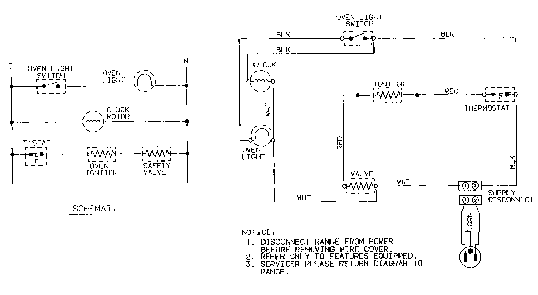
9112XPB 07 – WIRING INFORMATIONadmin2025-04-26T09:25:27+00:009112XPB 07 – WIRING INFORMATION ProductsPositionProductNIMAY 15001163