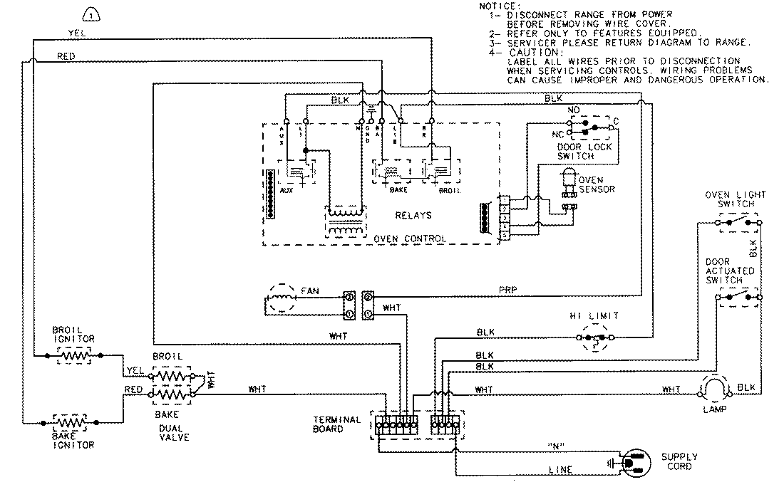
9475VYV 06 – WIRING INFORMATIONadmin2025-04-26T08:55:45+00:009475VYV 06 – WIRING INFORMATION ProductsPositionProductNIMAY 15001887