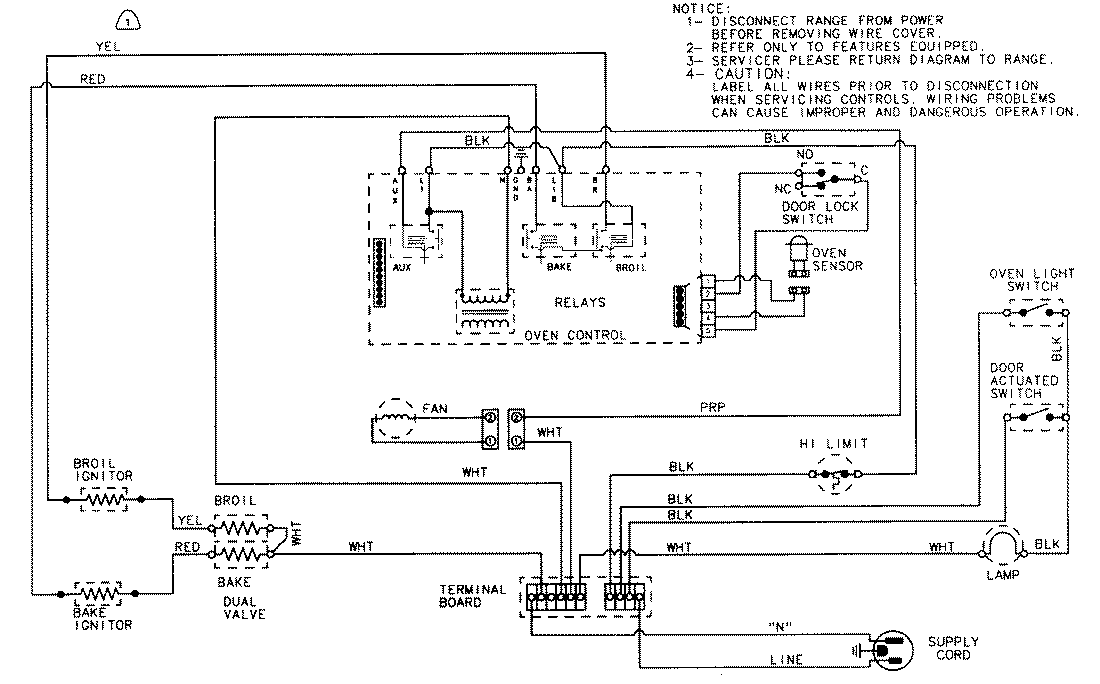
9475XYB 06 – WIRING INFORMATIONadmin2025-04-26T08:55:56+00:009475XYB 06 – WIRING INFORMATION ProductsPositionProductNIMAY 15001887