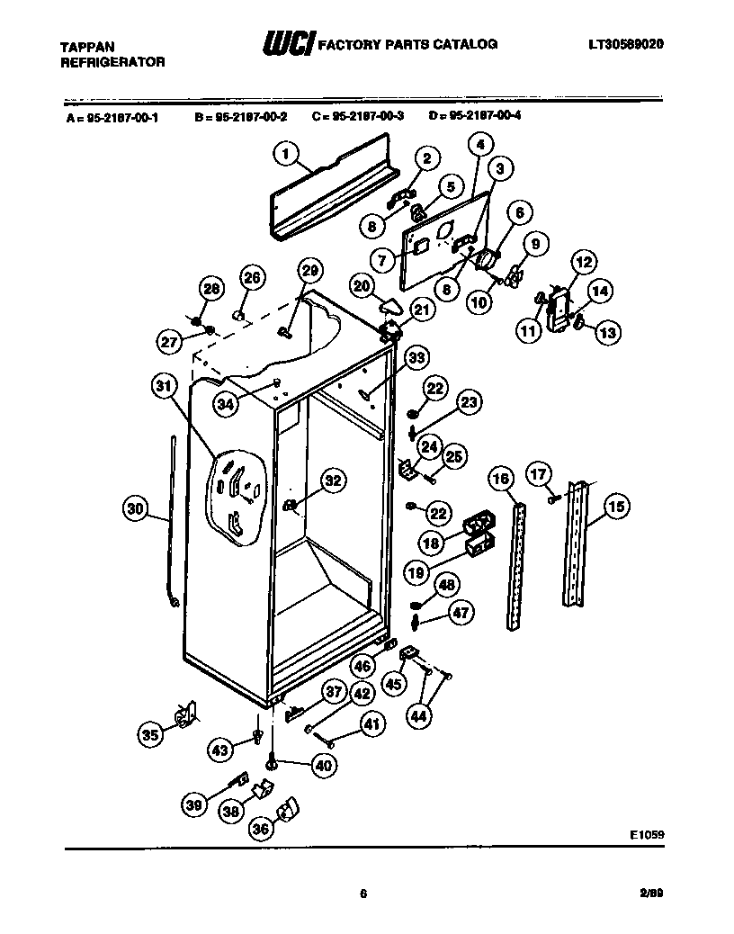
95-2187-00-2 04 – CONTROLadmin2025-04-26T08:42:19+00:0095-2187-00-2 04 – CONTROL ProductsPositionProduct*24325NUT, ORIFICE (2)*24329WCI 3007090*24324WCI 3001220*24327SHIM-TOP HINGE*243265303001449 Frigidaire Refrigerator Seal1DRAIN TROUGH2WCI 30012273WCI 30012264WCI 300146355300158289 Frigidaire Evaporator Fan Motor6WCI 30012177SUPPORT COVER8G187559 Frigidaire Refrigerator Bushing95308000010 Frigidaire Refrigerator Evaporator Fan Blade105304455651 Frigidaire Refrigerator Screw11WCI 300133112WCI 300145113WCI 300145214WCI 300102815CHANNEL-RS & LS16CHANNEL-CENTER (NON-ILLUSTRATED)175304455852 Frigidaire Refrigerator Screw18WCI 300144719WCI 300144820DCOVER, HINGE-ALMOND20BWCI 300166520ACOVER HINGE-AVOCADO20COVER, HINGE-WHITE20CCOVER HINGE-COFFEE21AWCI 300129921WCI 300129823PIN-CENTER HINGE24HINGE BRACKET CENTER25SCREW, HINGE (4) NO. 10-24 X 7/826WCI 300119827WCI 300128628WCI 300128729SUPPORT COIL COVER30WCI 300145831DWCI 300144131EWCI 300144231WCI 300144331BWCI 300144531CLABEL-MEAT KPR DUCT31AWCI 300144432SPOUT-DRAIN TUBE33ACORNER TRIM-AVOCADO33BTRIM, CAB. COR. WEAT (4)33WCI 300148033DTRIM, CAB. COR. ALMD (4)33CCORNER TRIM-COFFEE34APLUG HINGE-AVOCADO34DBUTTON, PLUG, ALMD (2)34PLUG HINGE-WHITE34CPLUG HINGE-COFFEE34BPLUG-WHEAT (2)35ROLLER-REAR (2)36ROLLER-FRONT (2)37WCI 300147838SUPPORT-ROLLER (2)39SPRING-ROLLER ADJ (2)40WCI 300130141SCREW-ROLLER ADJUSTMENT42WASHER-NYLON (2)43WCI 300141244241710601 Frigidaire Refrigerator Screw45HINGE BRACKET BOTTOM46SHIM-BOTTOM HINGE475303001321 Frigidaire Refrigerator Lower Hinge Pin48WCI 3001038