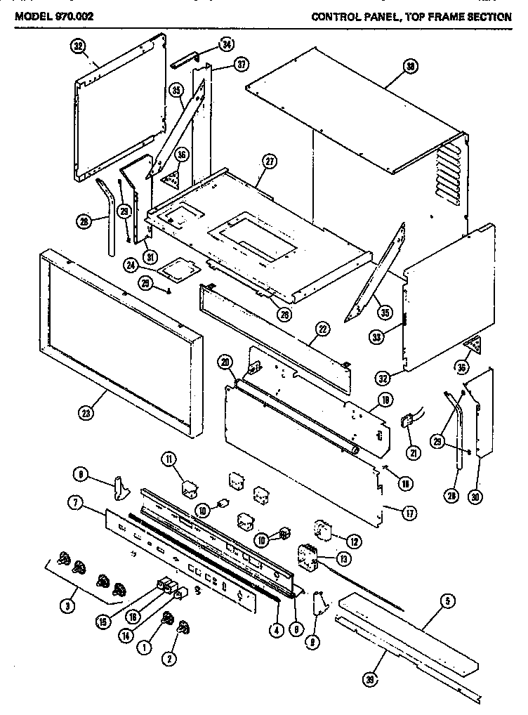
970.002 01 – CONTROL PANELadmin2025-04-26T08:56:02+00:00970.002 01 – CONTROL PANEL ProductsPositionProduct1MAY M6D2182MAY M6D963MAY M6D2164MAY M52D1235MAY M63D76MAY M52D1637MAY M52D1648MAY M7D3829MAY M7D3819MAY M1D54110MAY M9D8610MAY M6D22111MAY M14D18311MAY M14D18212MAY M1D53612MAY M14D18913MAY M1D12913MAY M18D2514MAY M14D18715MAY M14D18616MAY M14D18817MAY M82D9717MAY M82D4017MAY M82D11617MAY M1D54317MAY M82D9917MAY M82D9818MAY M1D50719MAY M52D8020MAY M9D4521MAY M1D62721MAY M5D11622MAY M51D1523MAY M75D2124MAY M7D20324MAY M1D51025MAY M1D50926MAY M53D127MAY M82D4128MAY M7D20229MAY M1D50830MAY M53D1830MAY M53D1930MAY M53D3230MAY M53D2030MAY M53D231MAY M53D2331MAY M53D3331MAY M1D53731MAY M53D631MAY M53D2231MAY M53D2132MAY M82D11732MAY M82D4832MAY M82D10232MAY M82D10032MAY M82D10133MAY M2D24134MAY M8D8235MAY M20D7036MAY M8D7537MAY M52D8138MAY M82D4338MAY M1D47138MAY M1D48539MAY M1D78939MAY M20D138