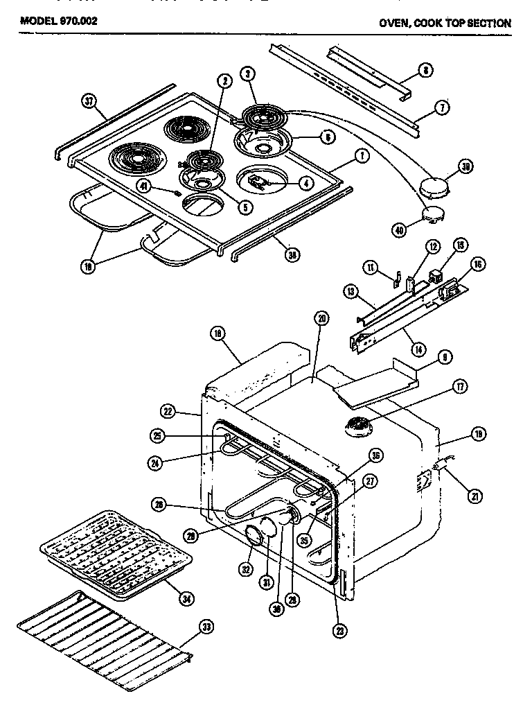
970.002 03 – OVENadmin2025-04-26T08:55:55+00:00970.002 03 – OVEN ProductsPositionProduct1MAY M82D1351MAY M82D1311MAY M82D1321MAY M82D1331MAY M82D1342MAY M61D253MAY M61D264MAY M5D1174MAY M1D1295MAY M44D116MAY M44D127MAY M52D918MAY M8D1649MAY M1D4859MAY M65D18810MAY M1D79210MAY M44D1611MAY M2D39111MAY M1D80712MAY M1D80612MAY M1D77912MAY M14D19013MAY M20D13314MAY M20D13414MAY M1D47115MAY M16D4116MAY M8D7916MAY M1D59117MAY M67D2018MAY M63D2119MAY M63D2320MAY M77D8721MAY M5D11422MAY M82D3922MAY M1D28022MAY M1D53123MAY M25D4024MAY M61D4425MAY M52D7226MAY M1D65326MAY M61D4326MAY M1D65827MAY M2D38728MAY M20D6929MAY M5D11330MAY M9D4931MAY M6D9332MAY M7D37932MAY M1D53233MAY M67D934MAY M67D1635MAY M20D7836MAY M1D69537MAY M75D5338MAY M75D5239MAY M2D26740MAY M2D32241MAY M1D794