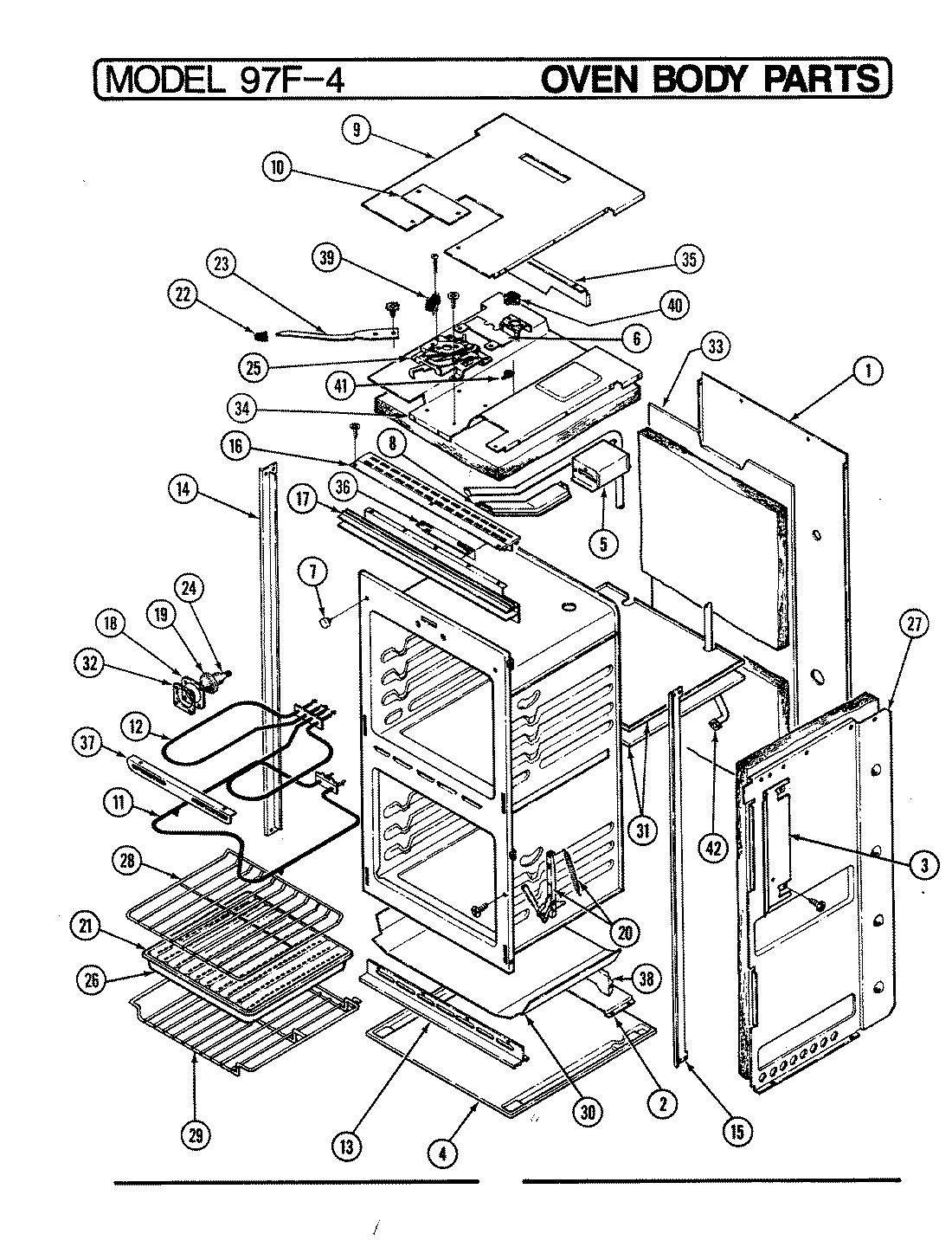
97FN-4EXWW 06 – OVEN/BODYadmin2025-04-26T08:55:48+00:0097FN-4EXWW 06 – OVEN/BODY ProductsPositionProduct1MAY 4002F079-512MAY 3601F005-803MAY 3601F130-514MAY 4003F011-205MAY 4006W046-156MAY 3801F128-457MAY 8003P002-608MAY 3818W002-159MAY 4005F202-5110MAY 4005F160-4511MAY 7406P013-6011MAY 7406P075-6012MAY 7406P076-6012MAY 7406P003-6013MAY 7706P153-6014MAY 7750P029-6014MAY 7706P112-6014MAY 7750P014-6015MAY 7706P113-6015MAY 7750P015-6015MAY 7750P030-6016MAY 7756P009-6016MAY 7706P114-6017MAY 7756P006-6017MAY 7756P070-6017MAY 7756P023-6018MAY 7201P014-6019MAY 7902P057-6020MAY 7106A020-6020MAY 7106A013-6020MAY 7106A019-6020MAY 7106A012-6020MAY 7106P037-6021MAY 3413F002-1921MAY Y3413F0161922MAY 7701P068-6023MAY 8009P011-6024MAY 7407P026-60258002P072-60 Whirlpool Door Latch26MAY 2618F088-5126MAY 2618F056-5126MAY Y3401F0201926MAY 3401F004-1927MAY 2618F089-5127MAY 2618F055-5128MAY 7801P005-6029MAY 7801P007-6030MAY 3804W034-5131MAY 3804F054-5132MAY 3804F011-4533MAY 3804F052-5134MAY 3804F053-5135MAY 3604F101-8036MAY 3604F048-8037MAY 3807F176-1538MAY 3807F137-8039MAY 7403P007-6041NOT REQUIRED PART OR SEE NOTE FUSE (NOT REQUIRED)41MAY 7403P001-6042MAY 8026P014-60