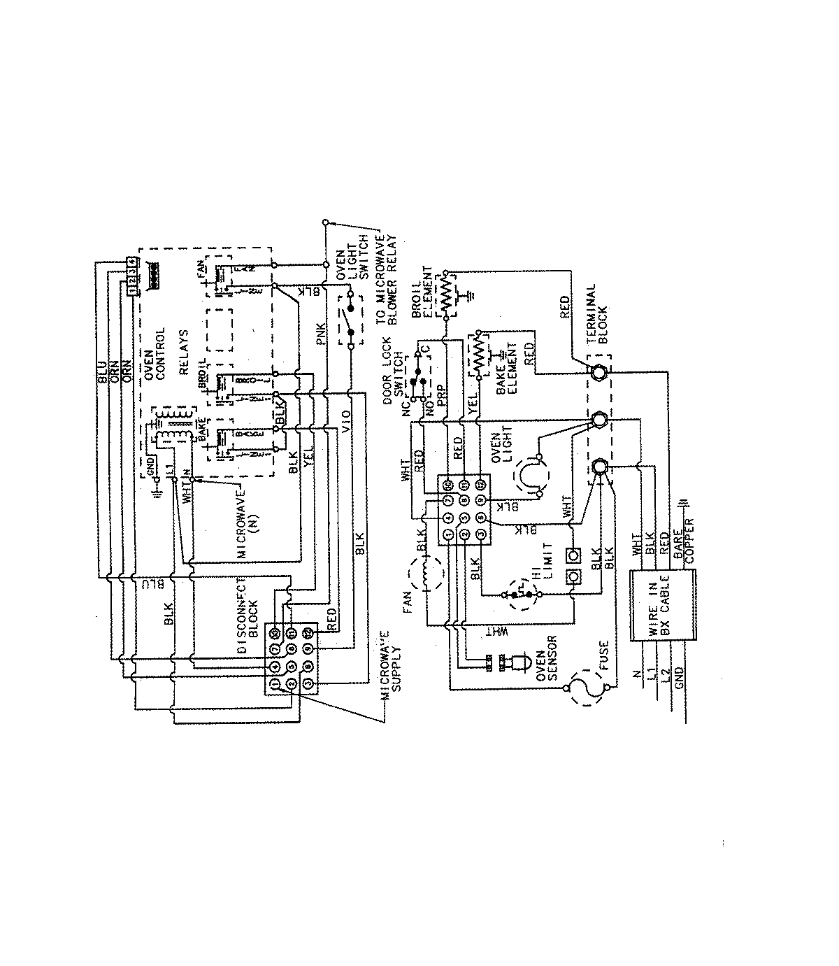
9895VRV 06 – WIRING INFORMATION (WALL OVEN)admin2025-04-26T08:56:10+00:009895VRV 06 – WIRING INFORMATION (WALL OVEN) ProductsPositionProductNIMAY 15003734