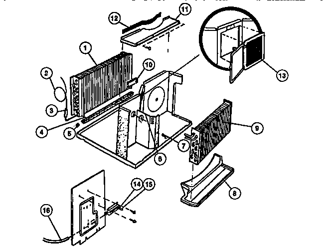
A05LH5N1 03 – EVAPORATOR, CONDENSERadmin2025-04-26T08:42:13+00:00A05LH5N1 03 – EVAPORATOR, CONDENSER ProductsPositionProduct1WCI 53032096452CAPILLARY TUBE (CUT TO 40``)35300265301 Frigidaire Air Conditioner P1 Filter Drier4WCI 080074715WCI 53032091366GROMMET-TUBE7DIVIDER8TRAY-EVAPORATOR9WCI 530300244110SEAL - COND/BASE RH11HORIZONTAL PARTITION12INSULATION-HORIZ PART13WCI 530301245514BRACKET-ACTUATOR15ARM-ACTUATOR (NON-ILLUSTRATED)16CABLE-DOOR VENT