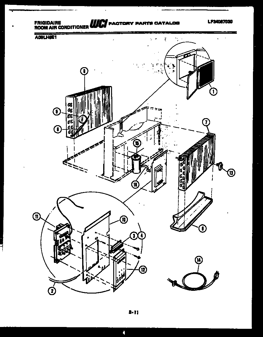
| 1 | WCI 8016234 |
| 2 | CABLE-VENT |
| 3 | BRACKET-ACTUATOR |
| 4 | ACTUATOR, ARM |
| 5 | TUBE-CAPILLARY - CUT TO 40`` |
| 6 | START-KIT RELAY |
| 7 | WCI 8013618 |
| 8 | TRAY-EVAPORATOR |
| 9 | WCI 8013617 |
| 10 | WCI 8017315 |
| 11 | CONTROL-ELECTRIC |
| 12 | WCI 8017303 |
| 13 | HOLDER-THERMSTOR (NON-ILLUSTRATED) |
| 14 | CORD-SERVER |
| 15 | CAPACITOR, COMPRESSOR, DUAL |
| 16 | CLAMP, CAPACITOR |