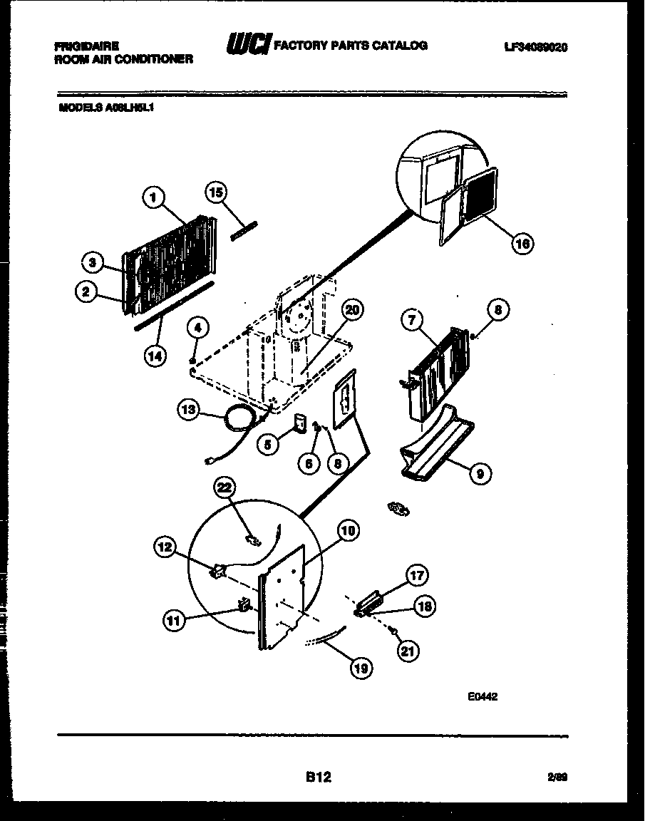
A08LH5L1 03 – ELECTRICAL PARTSadmin2025-04-26T08:42:04+00:00A08LH5L1 03 – ELECTRICAL PARTS ProductsPositionProduct*12831INSULATION-HORIZ PART*12831HORIZONTAL PARTITION*12832SCREW-CONT AND SWITCH MTG (NON-ILLUSTRATED)*12833TUBE-CONTROL BULB*12832SLEEVE-CAPILLARY TUBE1WCI 301868125300265301 Frigidaire Air Conditioner P1 Filter Drier3WCI 30190254WCI 080029415CAPCITOR-COMPRESSOR5AWCI 30154136ASTRAP - CAPACITOR - FAN6STRAP-CAPACITOR7WCI 32030748SCREW CAPACITOR8ASCREW-STRAP FAN9WCI 0801720210WCI 301594711WCI 301596112CONTROL13CORD-SERVICE14WCI 0800747115SEAL16WCI 301245517WCI 300184818ARM-ACTUATER (NON-ILLUSTRATED)19CABLE-DOOR VENT20DIVIDER21SCREW22CLIP-FILTER & SENSING BULB