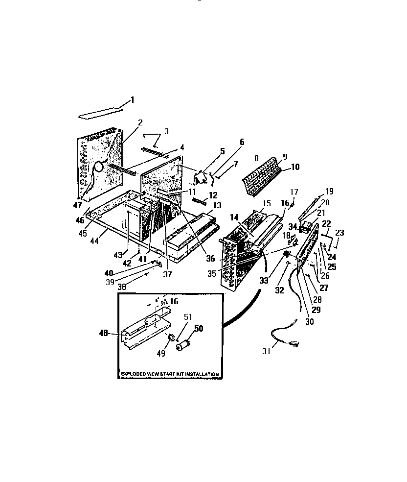
A11MEDSD3 04 – EVAPORATOR, CONDENSER, BASE (`SLIDEadmin2025-04-26T08:42:39+00:00A11MEDSD3 04 – EVAPORATOR, CONDENSER, BASE (`SLIDE ProductsPositionProduct1WCI 80029222WCI 80094314WCI 80049375WCI 80069296WCI 80030497SCREW (8)9WCI 800300911WCI 800494312WCI 800294413WCI 800303015WCI 801378416WCI 800493917CLIP, CONTROL BOX TO SCROLL18WCI 800292319WCI 800306621WCI 800305322WCI 801314723WCI 801109524WCI 800294625WCI 801377426WCI 800719427SCREW-CONTROL MTG29WCI 800300130WCI 801379631WCI 801381832SCREW33WCI 801315034WCI 800301535THERMOSTAT37WCI 800494239WCI 800305140WCI 801363541WCI 800294742WCI 800296543SCREW (4)44BASE-ASSEMBLY (SPECIAL ORDER)45WCI 800292146CLIP-CONDENSER47DRIER48WCI 800305849CLAMP50RELAY, START KIT51WCI 8002954