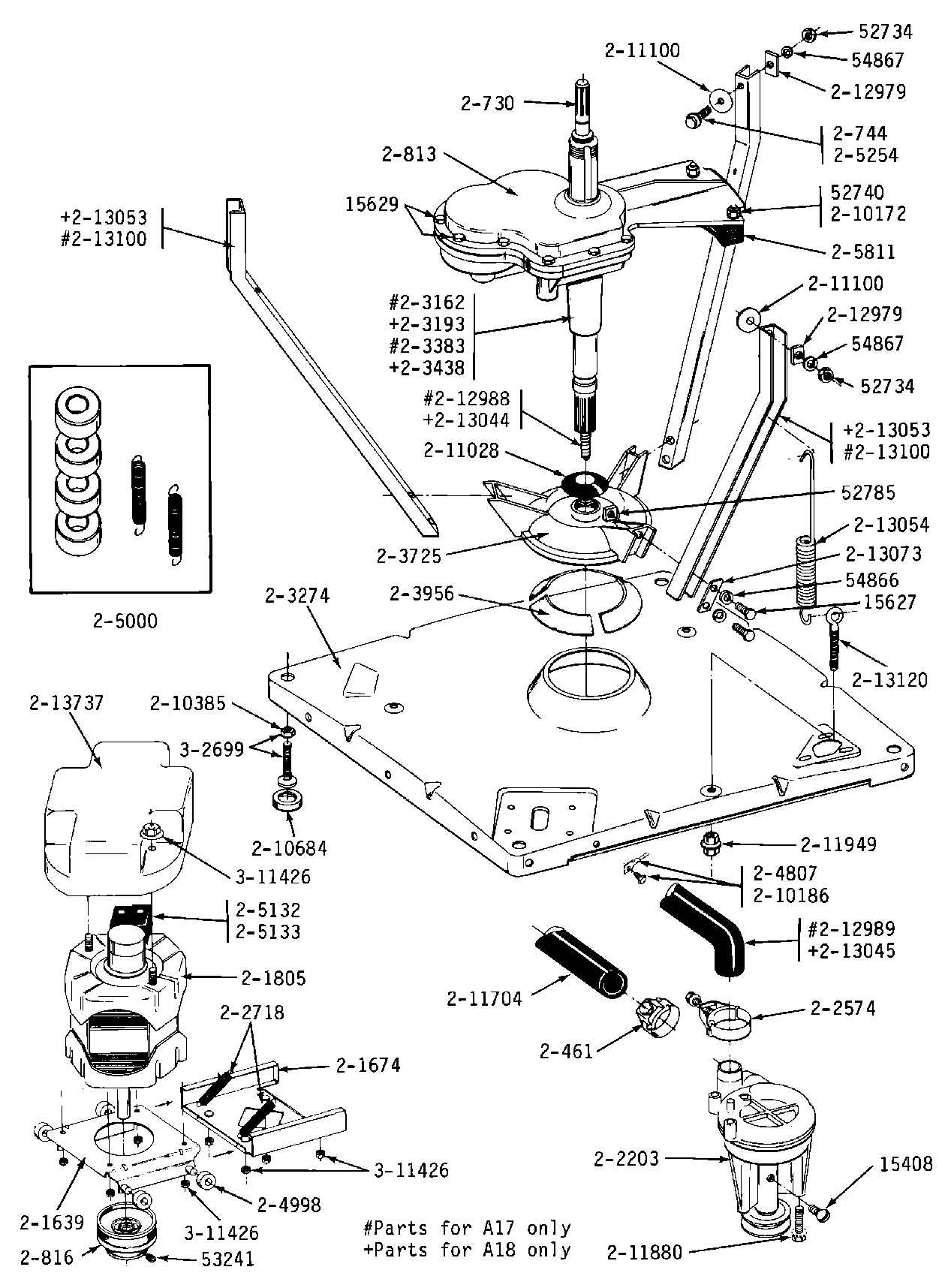
A17CA 06 – BASE, PUMP, MOTOR & COMPONENTSadmin2025-04-26T08:55:55+00:00A17CA 06 – BASE, PUMP, MOTOR & COMPONENTS ProductsPositionProduct001MAY Y015408003MAY Y015629004MAY Y052734005WP62739 Whirlpool Nut006MAY Y052785007MAY Y053241008MAY Y054866009MAY Y054867010MAY Y059141011MAY 200461012MAY 200730013W10175939 Whirlpool Bolt Assembly015MAY 200816016MAY 201639017MAY 20167401812002351 Whirlpool Washer Drive Motor and Jumper Kit 1 Speed 1/2 HP019MAY 202203020WP285655 Whirlpool Hose Clamp021202718 Whirlpool Tension Spring023MAY 203274024MAY 203383025MAY 203725026203956 Whirlpool Damper Pads 3 Pack with Poly027MAY 204807028MAY Y204998029205000 Whirlpool Motor Spring and Guide Kit030SWITCH, MOTOR START PROD. NO. 2-1664-4, 2-1664-9, 2-1664-10032W10175938 Whirlpool Bolt034DOWEL PIN FOR HANDLE035MAY 210186036WP210385 Whirlpool Lock Nut037WP210684 Whirlpool Dishwasher Leveling Leg Pad038MAY 211028039MAY 211100040MAY 211704041WPY014874 Whirlpool Screw042WP211949 Whirlpool Nut043MAY 212979044MAY 212988045WPY212989 Whirlpool Outer Hose046MAY 213054047MAY 213073048MAY 213100049MAY 213120050MAY 213737051LEG, ADJUSTABLE (W/NUT)---S052WP3400029 Whirlpool Dishwasher Nut