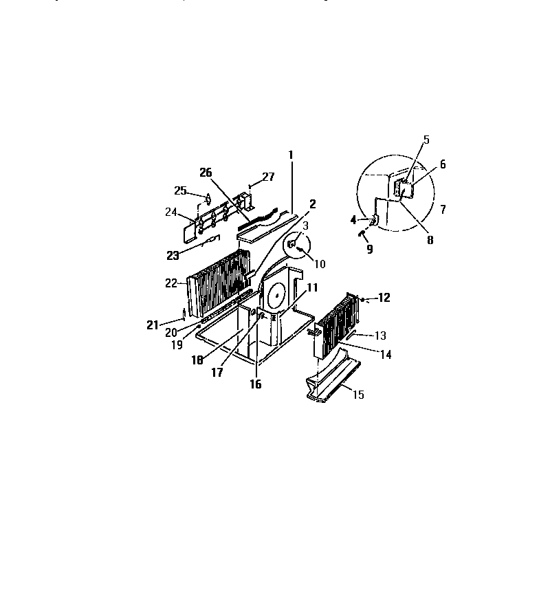
A1838EC2 12 – EVAPORATOR, CONDENSER (`AAA` CABINEadmin2025-04-26T08:42:01+00:00A1838EC2 12 – EVAPORATOR, CONDENSER (`AAA` CABINE ProductsPositionProduct1WCI 80130781PARTITION, HORIZONTAL2WCI 80064533WCI 80090254WCI 80075145WCI 80141695WCI 80074776WCI 80069187WCI 80075118WCI 80074999WCI 800750010SCREW (4)11INSULATION12SPACER (2)13INSULATOR-TUBE14EVAPORATOR14WCI 801381215WCI 800691716DIVIDER, VERTICAL16WCI 801423917GROMMET18WCI 801097019CLIP-CONDENSER20SEAL21DRIER22WCI 801423422WCI 801381122WCI 801381023WCI 801314324WCI 801308725WCI 801314226SEAL27WCI 8002951