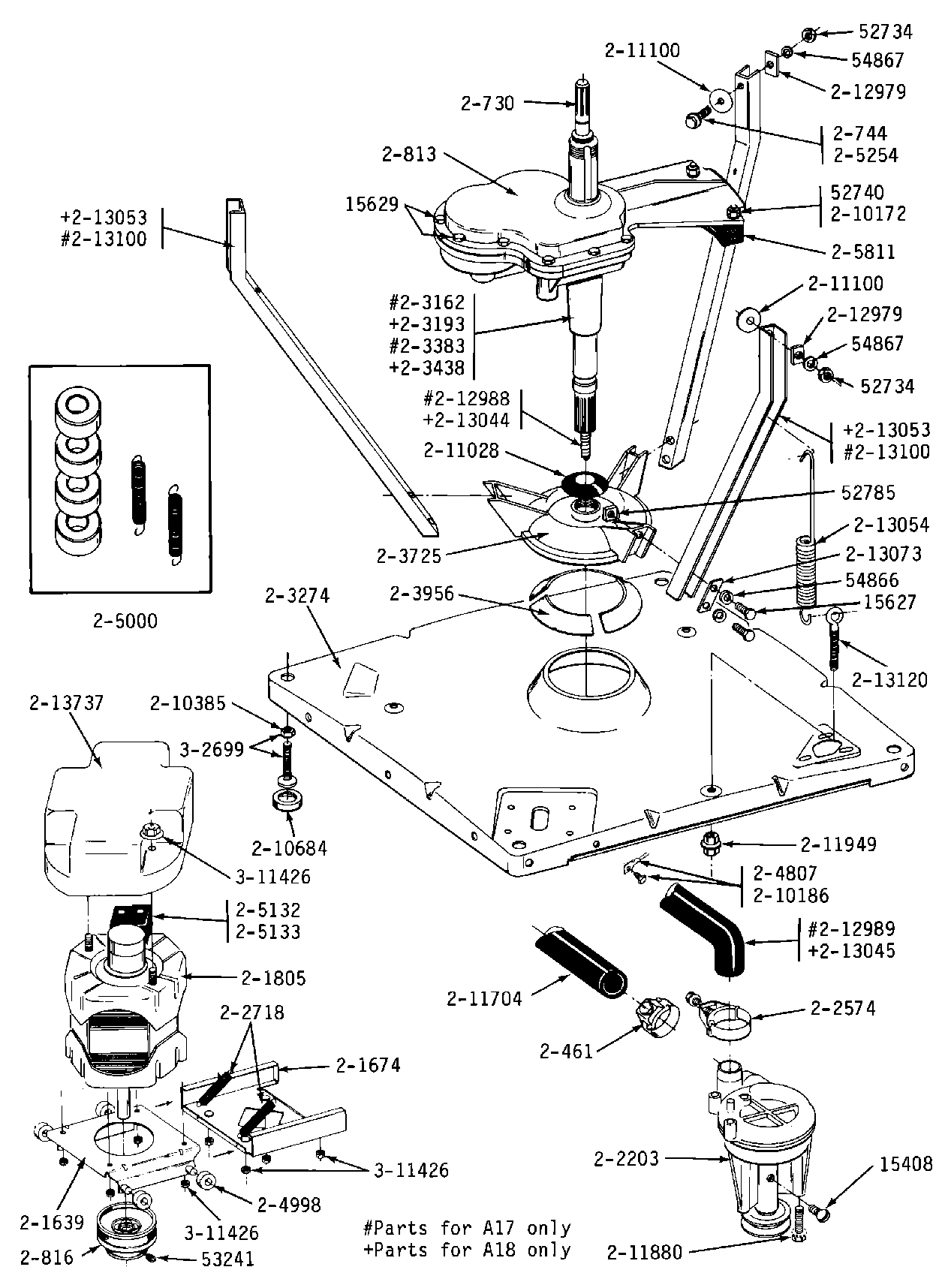
A18CM 08 – BASE, PUMP, MOTOR & COMPONENTS