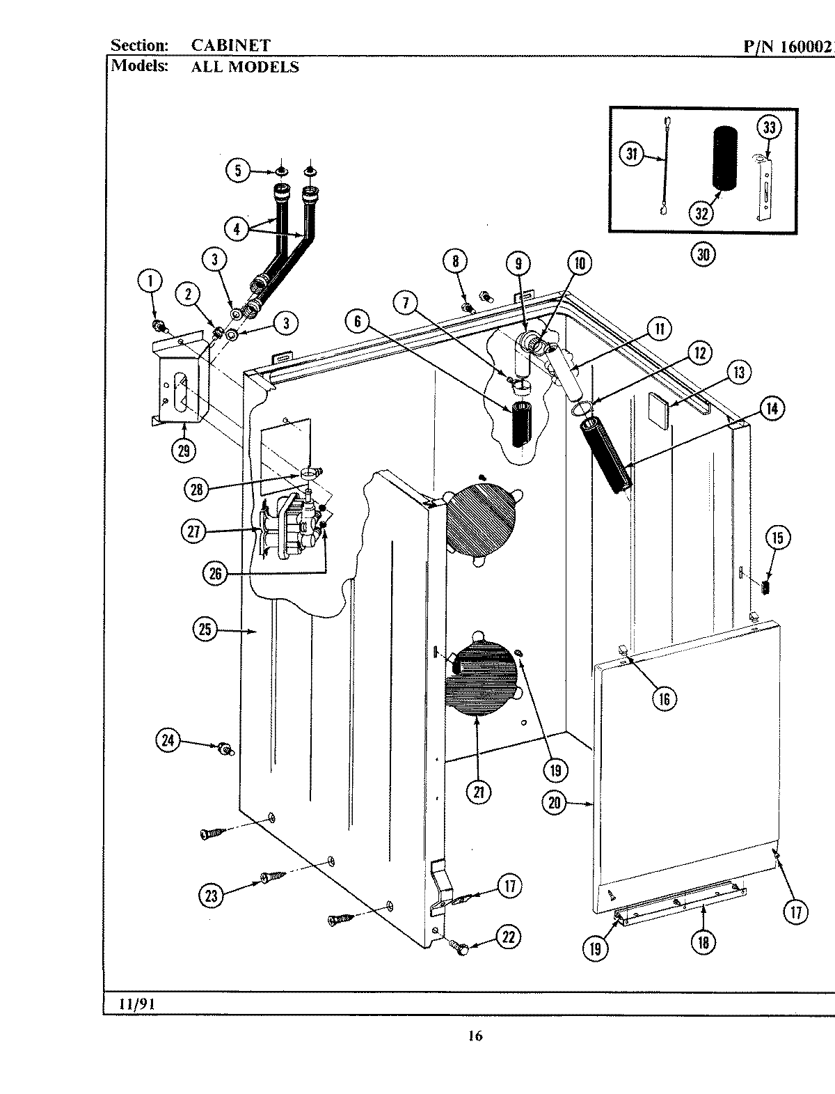
A211S 02 – CABINET