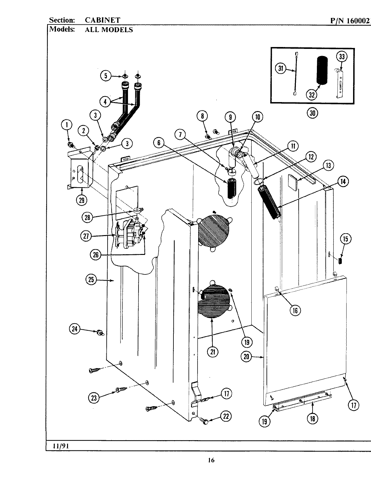
A282 02 – CABINET