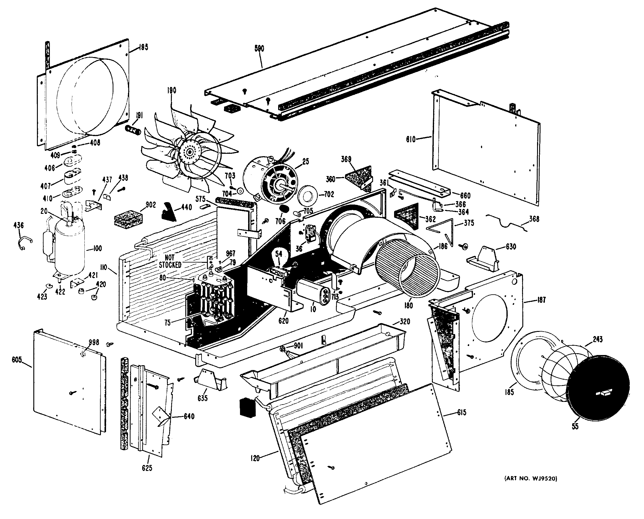
A2B348DCALR1 1admin2025-04-26T08:34:22+00:00A2B348DCALR1 1 ProductsPositionProduct10CAPACITOR, FAN/RUN20GEN WP23X001825ADD CAPACITOR IF REQD25GEN WP94X000136GEN WP28X002454GEN WJ03X017155GEN WP85X000275GEN WP70X004479GEN WP23X000780GEN WP23X0013100GEN WJ98X0507110GEN WP88X0001120GEN WP87X0001180GEN WJ74X0041185GEN WP78X0008186GEN WP76X0001187GEN WP78X0006190GEN WJ73X0062191GEN WJ02X0153195GEN WP78X0010243GEN WP71X0020320GEN WP70X0058360GEN WJ70X0139361GEN WJ02X0219362GEN WP85X0001364GEN WP14X0002366GEN WP14X0001368GEN WJ02X0218369GEN WJ43X0194375GEN WJ66X0177406TERMINAL CAP407TERMINAL COVER409GEN WP01X0005410GEN WJ43X0333420GEN WJ01X0609421GEN WP66X0001422GEN WJ01X0608423GEN WJ02X0360436ACCUMULATOR CLAMP440GEN WJ75X0010575GEN WP70X0033590GEN WP79X0006605PANEL REAR610GEN WP81X0002615GEN WP81X0003620GEN WP79X0007625GEN WP81X0004630GEN WP66X0007635GEN WP66X0008640GEN WP66X0004702GEN WP43X0012703SCREW 12-24 X 1-1/4" HEX704GEN WZ10X0155705GEN WJ01X0370706GEN WJ01X0368713GEN WJ03X0279901GEN WP43X0003902GEN WJ60X0008967GEN WZ04X0275998GEN WP01X0003