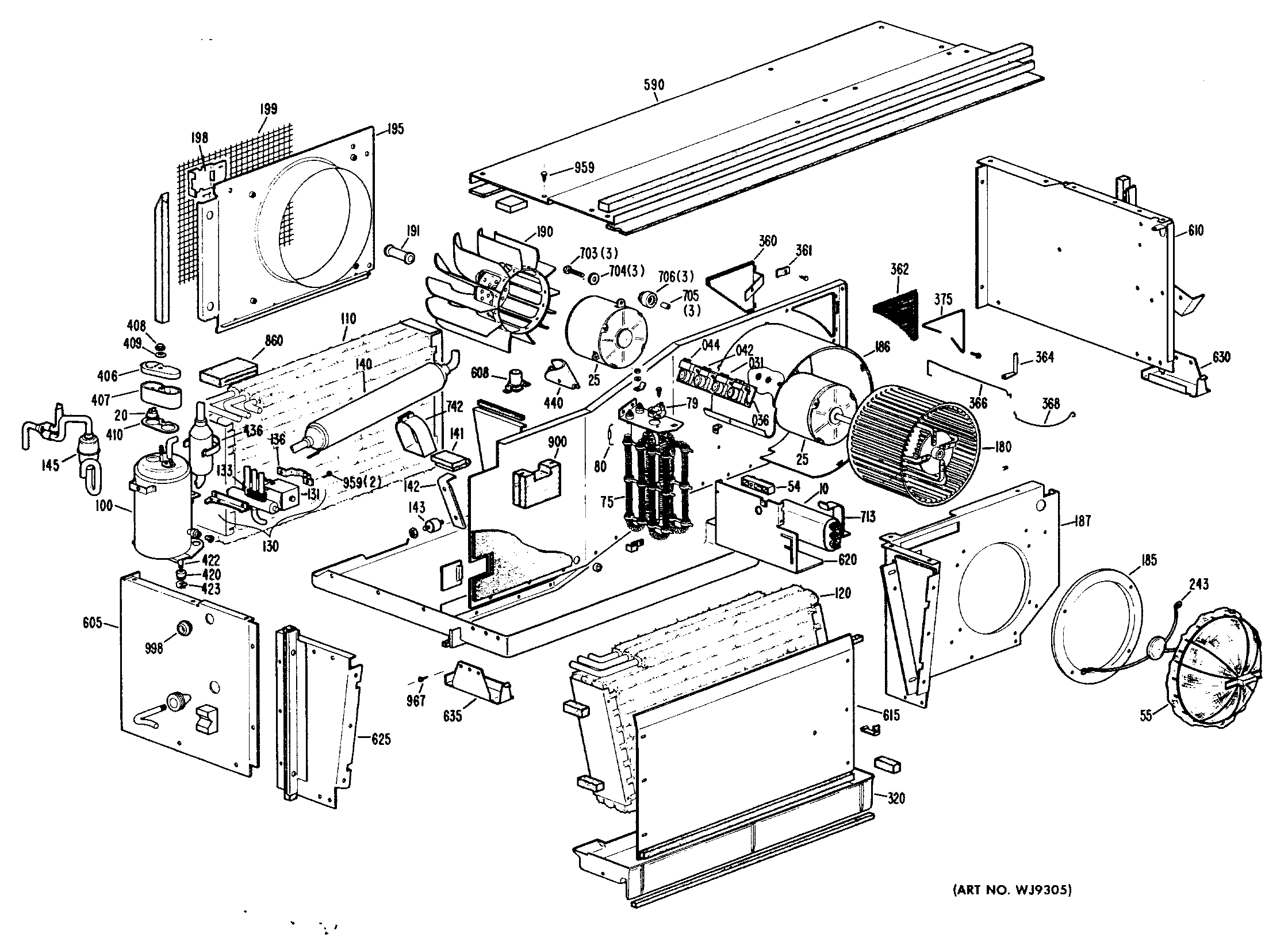
A2B388ESASR1 1