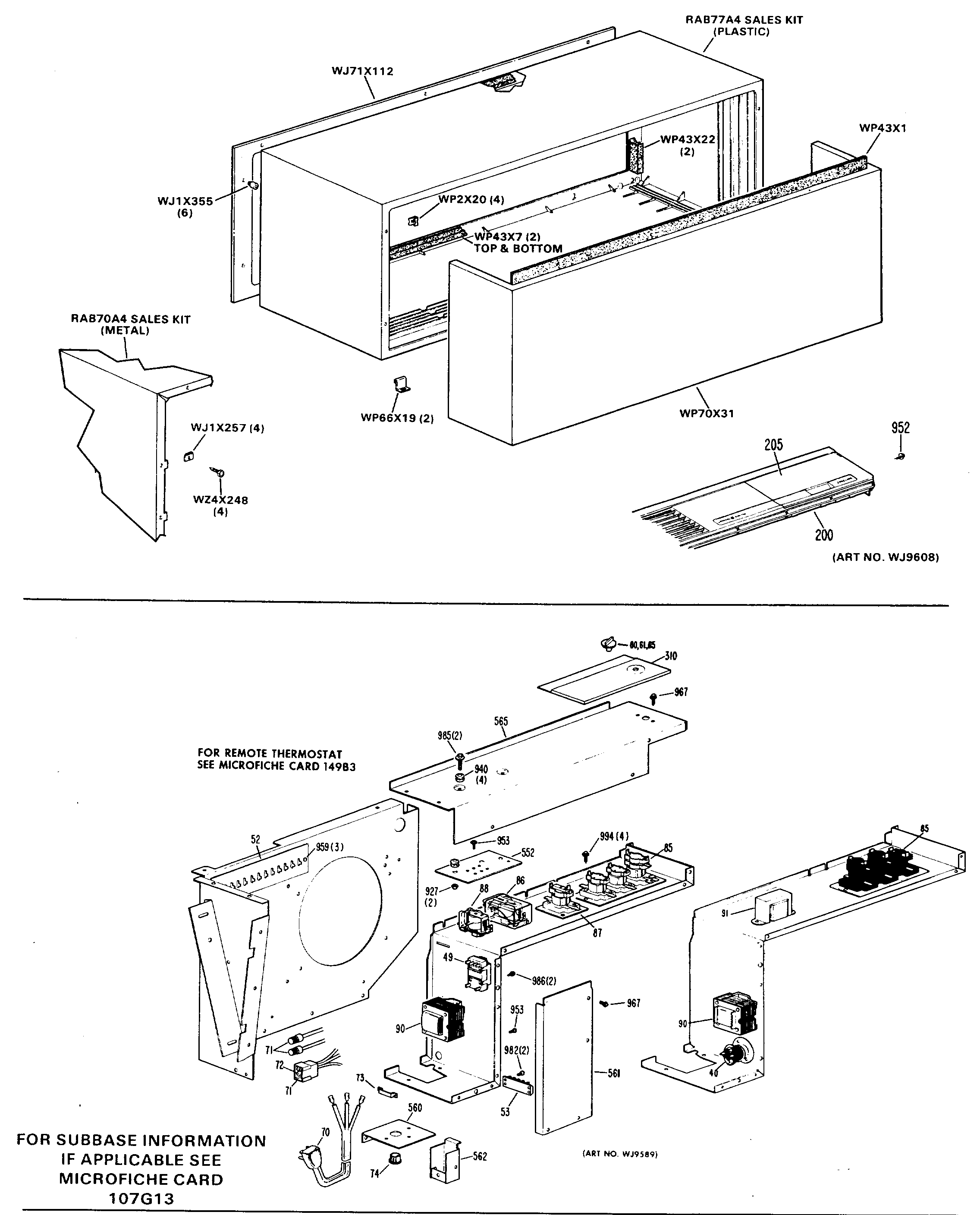
A2B389DAAL1Y 0admin2025-04-26T13:13:51+00:00A2B389DAAL1Y 0 ProductsPositionProduct36GEN WJ28X022442GEN WP28X002244GEN WP28X002352GEN WP03X000161GEN WJ12X017065KNOB SPRING70GEN WJ35X009274GROMMET CORD POWER86GEN WP24X000590GEN WP27X0015200GRILLE DISCHARGE205GEN WP71X0026310GEN WP07X0048364GEN WP14X0002413GEN WJ43X0344552GEN WP79X0009560GEN WP79X0005561GEN WP79X0004565GEN WP79X0003603GEN WP79X0027640GEN WP66X0004915GEN WJ01X0774918GEN WZ08X0011927GEN WJ01X0649931NUT & LOCKWASHER 10-32940GEN WP01X0001944GEN WZ05X0242946GEN WZ05X0122949GEN WZ06X0100950GEN WZ05X0254952SCREW 10-16 X 5/8" HEX952GEN WZ02X0548953SCREW 6-32 X 1/4" HEX955GEN WZ02X0550956GEN WZ06X0108957SCREW 10-16 X 1/2" HEX958GEN WZ04X0264959SCREW 10-16 X 1/2" HEX967GEN WZ04X0275985GEN WZ06X0122992GEN WZ04X0120994GEN WZ04X03621006GEN WZ02X05495000GEN WJ37X00475000PUSHON TERMINAL 1/4" TAB32767GEN 49-714032767GEN 30-767232767GEN 31-7250