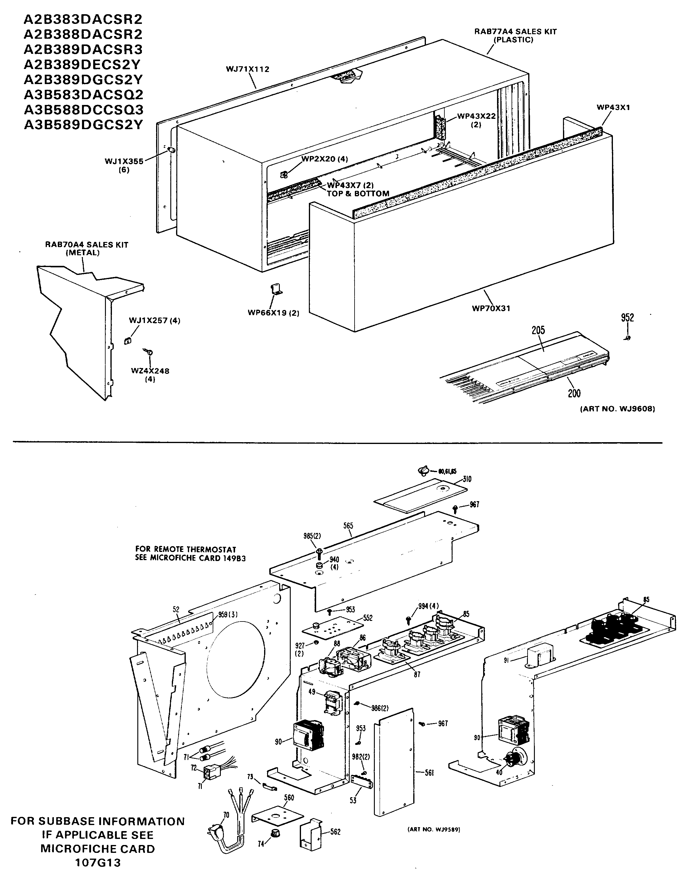
A2B389DGCS2Y 0