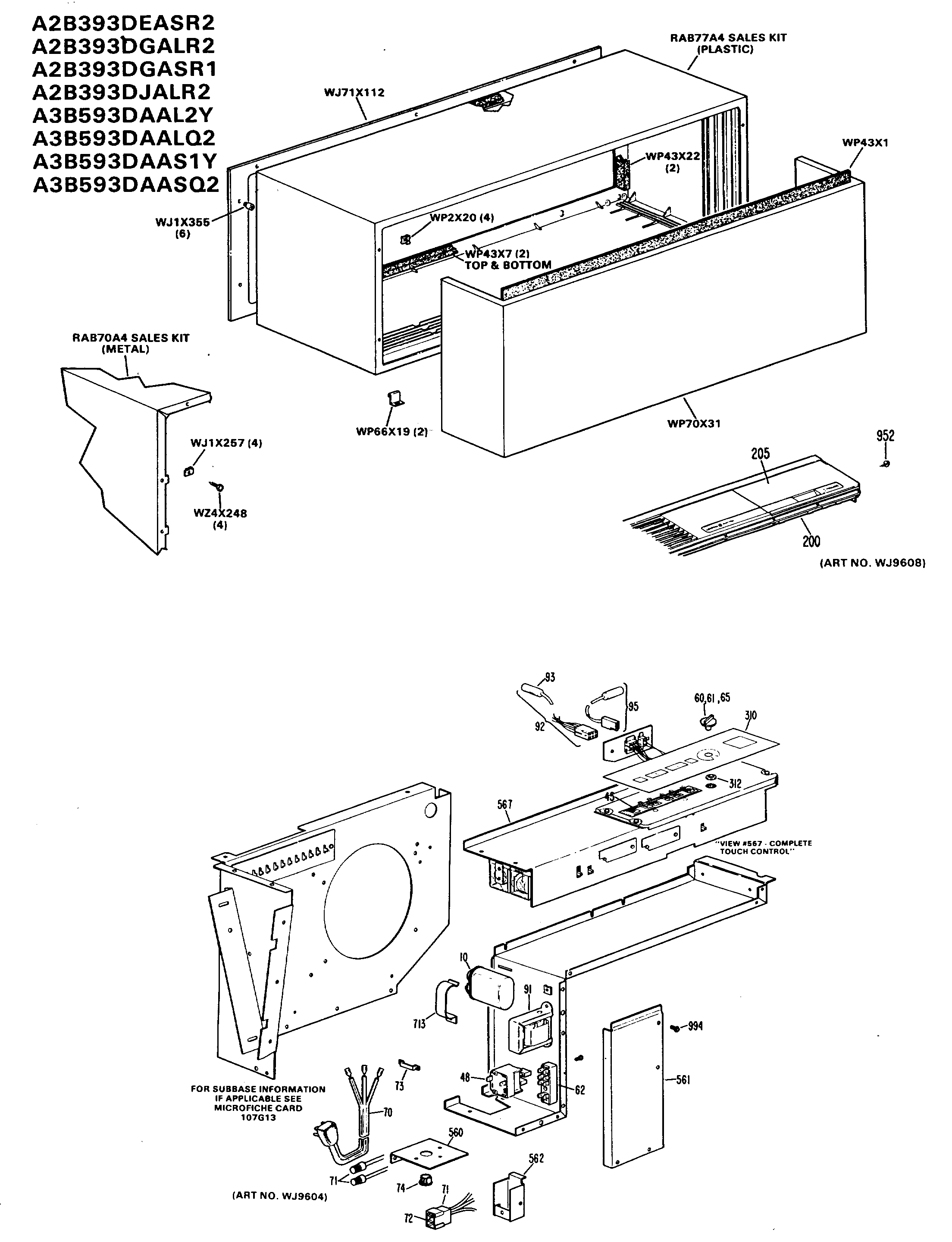
A2B393DEASR2 0admin2025-04-26T08:34:26+00:00A2B393DEASR2 0 ProductsPositionProduct10CAPACITOR FAN AND RUN10GEN WJ20X059445GEN WP27X001948GEN WP26X002060GEN WP12X000361GEN WJ12X017062GEN WJ27X005665KNOB SPRING71GEN WP02X000672GEN WP02X000773GEN WJ03X008791GEN WP27X002592GEN WP29X000693GEN WP29X000395GEN WP29X0007205GEN WP71X0026310GEN WP07X0052312GEN WJ05X0061413GEN WJ43X0344560GEN WP79X0008560GEN WP79X0018561GEN WP79X0004562GEN WP79X0012713GEN WJ03X0279716GEN WJ01X0643915GEN WJ01X0774918GEN WZ08X0011926GEN WJ01X0335931NUT & LOCKWASHER 10-32944GEN WZ05X0242950GEN WZ05X0254952GEN WZ02X0548952SCREW 10-16 X 5/8" HEX955GEN WZ02X0550956GEN WZ06X0108957SCREW 10-16 X 1/2" HEX958GEN WZ04X0264967GEN WZ04X0275972GEN WZ05X0245983GEN WZ05X0153992GEN WZ04X0120994GEN WZ04X03621006GEN WZ02X05491008GEN WJ01X07045000GEN WJ02X02095000GEN WJ41X01355000GEN WJ37X00475000PUSHON TERMINAL 1/4" TAB32767GEN 30-770132767GEN 31-711632767GEN 49-709732767GEN 49-714532767GEN WJ37X004832767GEN WJ01X024932767GEN WJ62X033132767GEN WZ06X005832767GEN WJ44X010632767GEN WP71X002032767GRILLE DISCHARGE32767GEN WP00X010132767GEN 31-7359