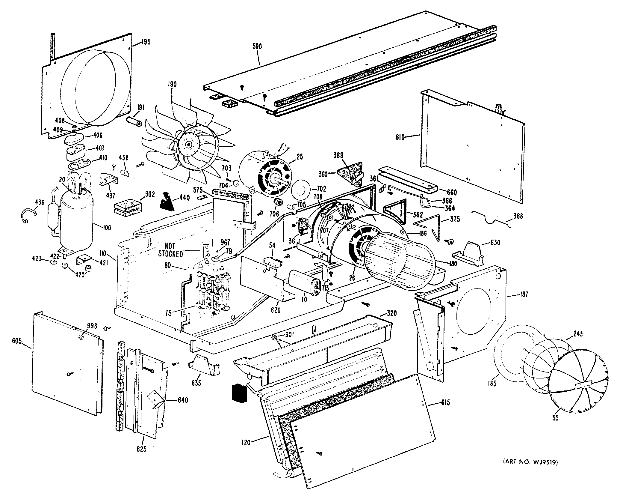
A2B658EPASYA 1