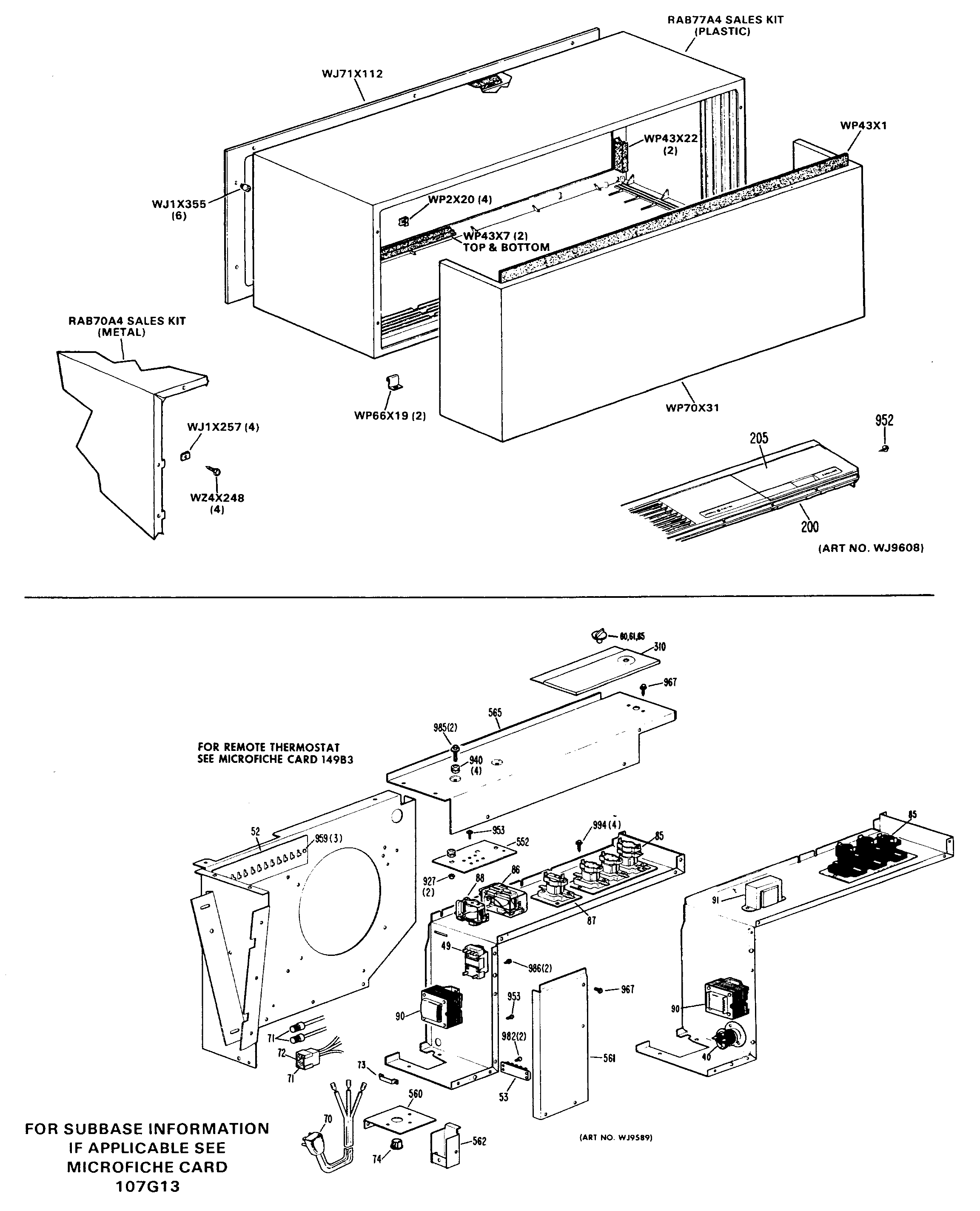
A2B683ENCSW2 0admin2025-04-26T08:36:50+00:00A2B683ENCSW2 0 ProductsPositionProduct36GEN WJ28X022442GEN WP28X002244GEN WP28X002349GEN WP26X000152GEN WP03X000153GEN WP03X000861GEN WJ12X017062GEN WJ27X005665KNOB SPRING71GEN WP02X000672GEN WP02X000773GEN WJ03X008785GEN WP24X001386GEN WP24X000587GEN WP24X001288GEN WP24X001791GEN WP27X0012205GEN WP71X0026244GEN WZ05X0145310GEN WP07X0049364GEN WP14X0002560GEN WP79X0008560GEN WP79X0018561GEN WP79X0004562GEN WP79X0012565GEN WP79X0024915GEN WJ01X0774918GEN WZ08X0011927GEN WJ01X0649931NUT & LOCKWASHER 10-32940GEN WP01X0001944GEN WZ05X0242946GEN WZ05X0122949GEN WZ06X0100950GEN WZ05X0254952SCREW 10-16 X 5/8" HEX952GEN WZ02X0548955GEN WZ02X0550956GEN WZ06X0108957SCREW 10-16 X 1/2" HEX958GEN WZ04X0264959SCREW 10-16 X 1/2" HEX967GEN WZ04X0275985GEN WZ06X0122986GEN WZ02X0547987GEN WZ05X0187992GEN WZ04X0120994GEN WZ04X03621006GEN WZ02X05495000GEN WJ41X01355000GEN WJ02X02095000PUSHON TERMINAL 1/4" TAB5000GEN WJ37X004732767GEN WJ98X055832767GEN 31-730032767GEN WJ37X004832767GEN WZ06X005832767GEN WP00X010132767GEN WP00X030132767GRILLE DISCHARGE32767GEN WP71X002032767GEN WJ44X010632767GEN 30-769532767GEN WJ01X024932767GEN 49-712532767GEN WD-204