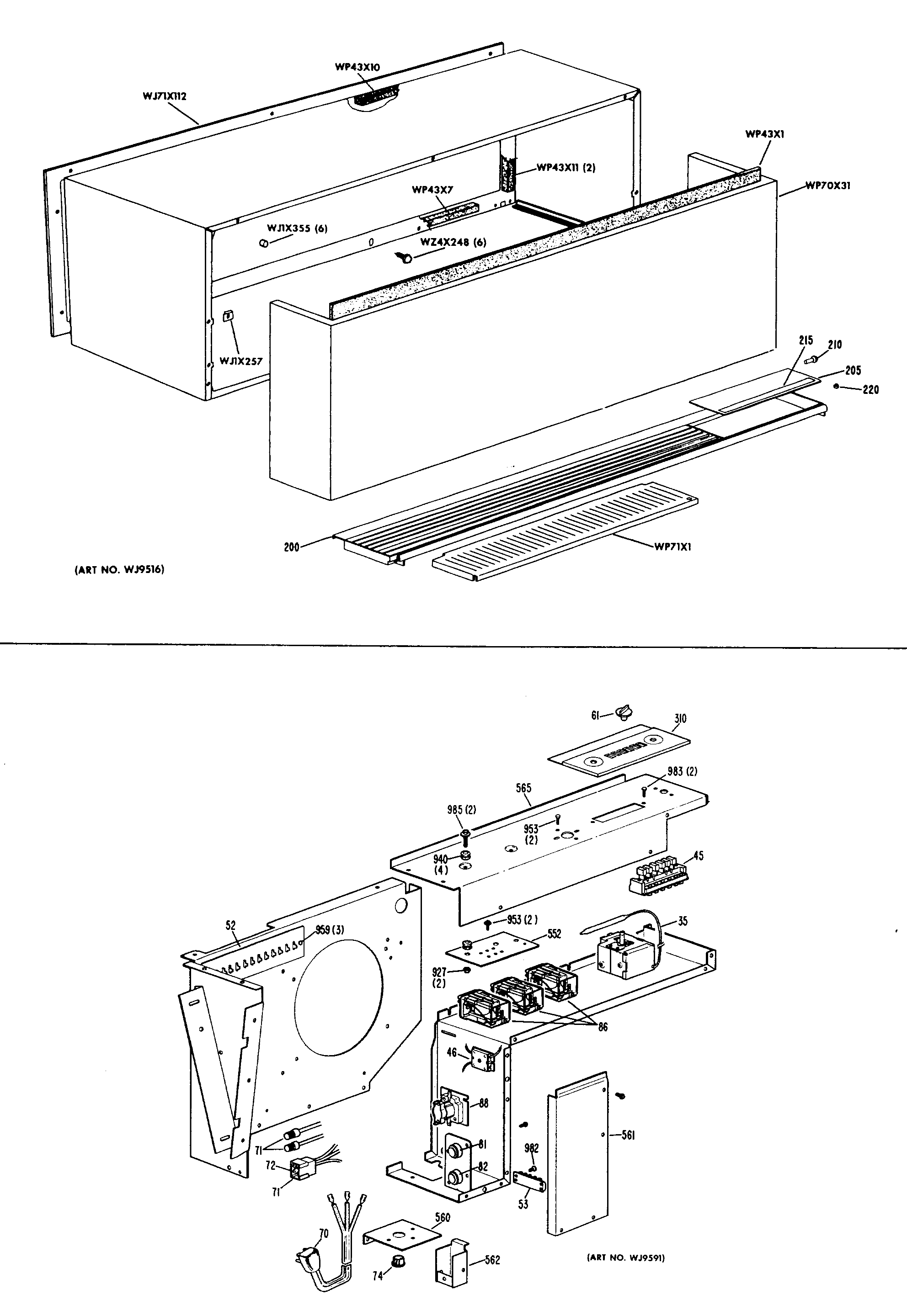
A2B688EPFSW1 0