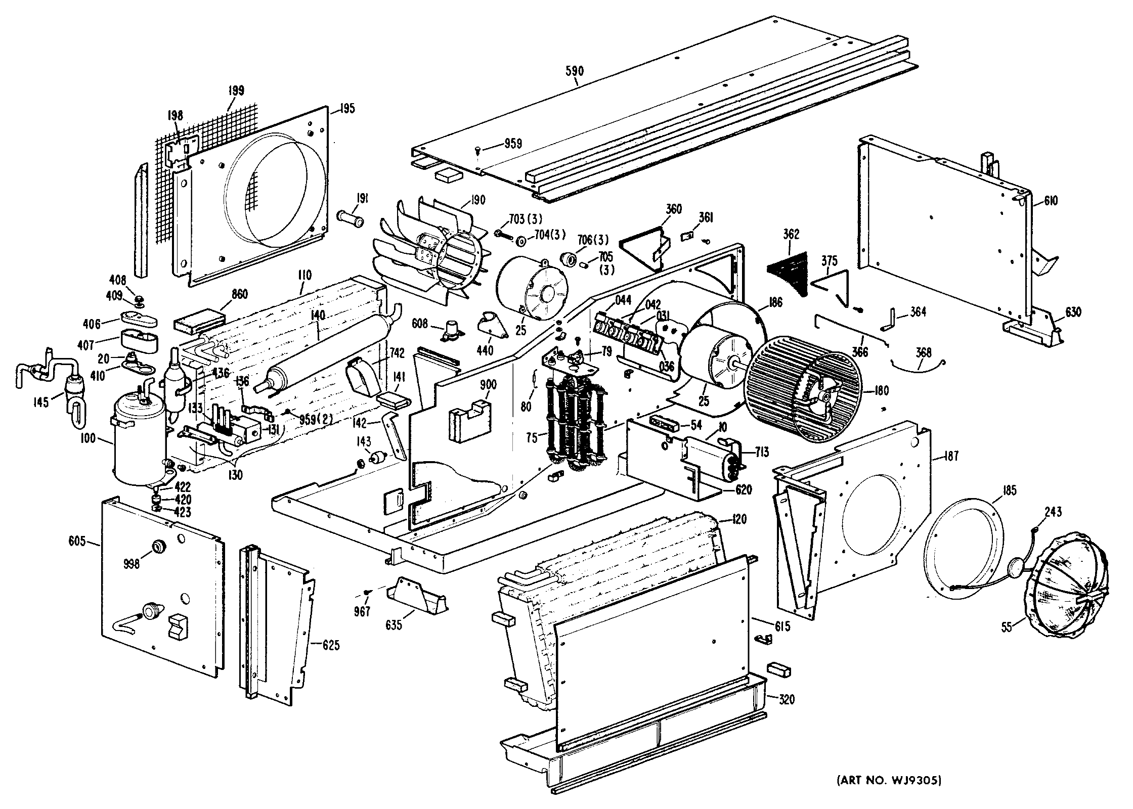
A2B689DJASW1 1