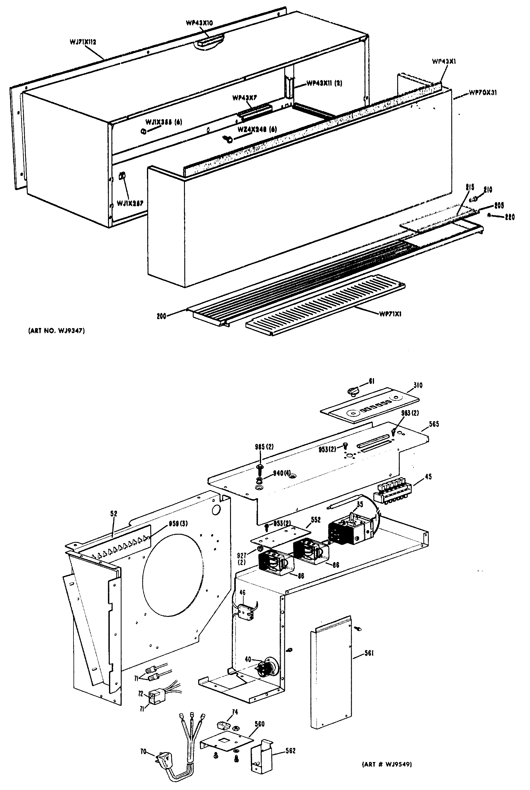
A2B689EPASW1 0admin2025-04-26T08:36:17+00:00A2B689EPASW1 0 ProductsPositionProduct26GEN WP94X001635GEN WP28X002136GEN WP28X002442GEN WP28X002244GEN WP28X002345GEN WP26X001246GEN WP26X001152GEN WP03X000161GEN WP12X000265KNOB SPRING71GEN WP02X000672GEN WP02X000773GEN WJ03X008786GEN WP24X0005132GEN WJ03X0172150GEN WP56X0003160GEN WJ53X0138165GEN WJ56X0073165GEN WJ56X0062165GEN WJ56X0070188GEN WJ85X0109200GEN WP71X0003205GEN WP71X0004210GEN WP01X0002215GEN WP07X0006220GEN WP01X0004256GASKET SEPARATE AIR310GEN WP07X0002320GEN WP70X0058369GEN WJ43X0194421GEN WP66X0001552GEN WP79X0009560GEN WP79X0018561GEN WP79X0004562GEN WP79X0012565GEN WP79X0003575GEN WP70X0065640GEN WP66X0004701GEN WP36X0003702GEN WJ43X0240707WASHER707GEN WZ10X0152708GEN WJ01X0445710GEN WP02X0002712GEN WP02X0010715GEN WJ02X0413715GEN WJ02X0410715GEN WJ02X0392716GEN WJ01X0651729GEN WJ02X0416740WIRE CLIP SNAP-IN815GEN WP66X0006851GEN WP43X0005852GEN WP43X0006853GEN WP43X0004901GEN WP43X0003918GEN WZ08X0011920GEN WJ01X0521927GEN WJ01X0649931NUT & LOCKWASHER 10-32940GEN WP01X0001944GEN WZ05X0242946GEN WZ05X0122949GEN WZ06X0100952SCREW 10-16 X 5/8" HEX953SCREW 6-32 X 1/4" HEX956GEN WZ06X0108957SCREW 10-16 X 1/2" HEX959SCREW 10-16 X 1/2" HEX983GEN WZ05X0153985GEN WZ06X0122992GEN WZ04X0120994GEN WZ04X03625000PUSHON TERMINAL 1/4" TAB5000GEN WJ44X00835000GEN WJ84X00315000GEN WJ37X00475000GEN WJ02X02095000GEN WJ84X00299999GEN 49-70679999GEN 30-76589999GEN 31-6454