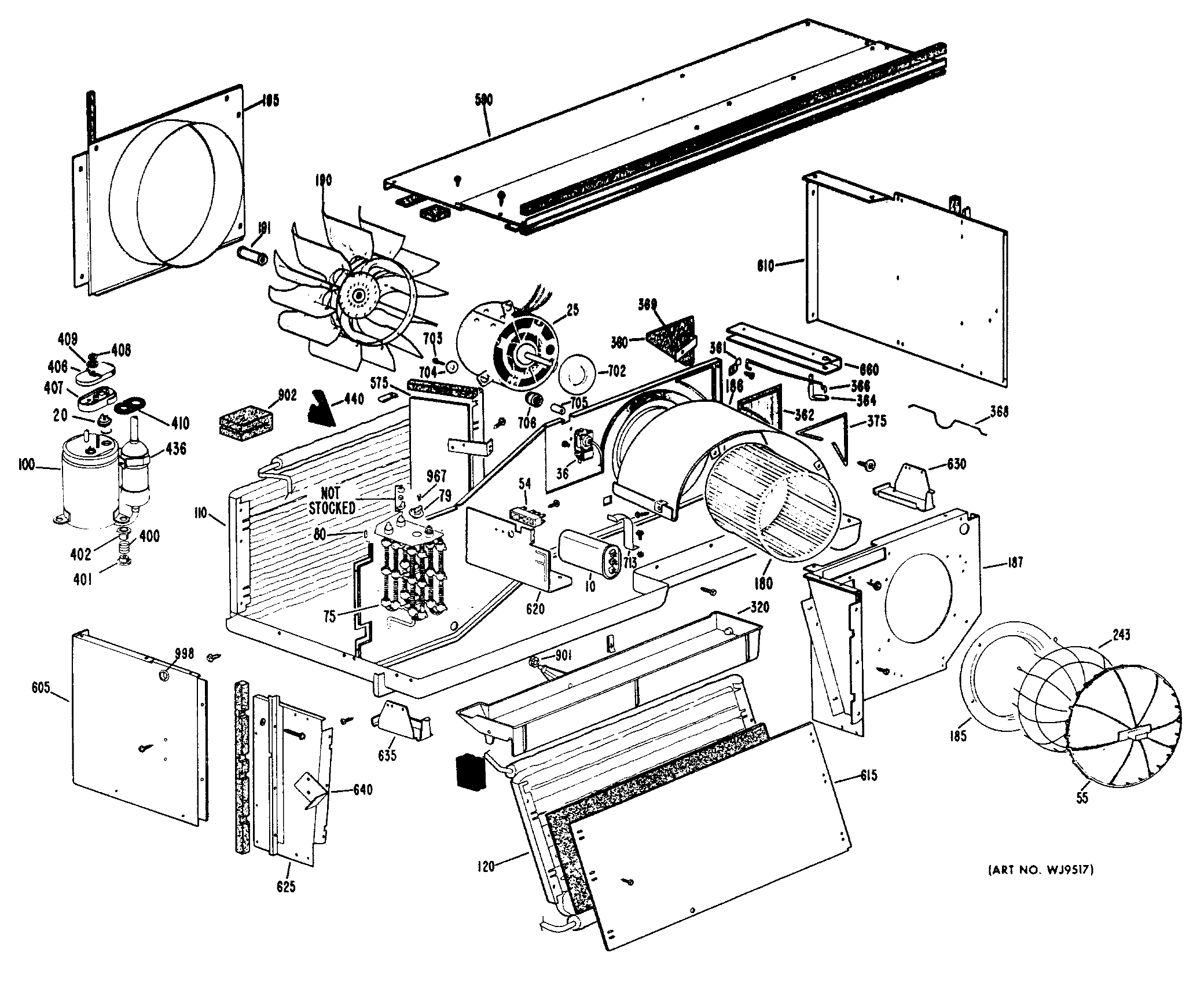
A2B768DGASDA ROOM AIR CONDITIONERadmin2025-04-26T08:35:20+00:00A2B768DGASDA ROOM AIR CONDITIONER ProductsPositionProduct10GEN WJ20X035820GEN WP23X003525GEN WP94X000136GEN WP28X002454GEN WJ03X017155GEN WP85X000275GEN WP70X003979GEN WP23X000780GEN WP23X0013100GEN WJ98X0536110CONDENSER KIT120GEN WP87X0012180GEN WJ74X0043185INDOOR ORIFICE186GEN WP76X0001187GEN WP78X0006190GEN WJ73X0047191GEN WJ02X0153195GEN WP78X0010243GEN WP71X0020320GEN WP70X0058360GEN WJ70X0139361GEN WJ02X0219362GEN WP85X0001364GEN WP14X0002366GEN WP14X0001368GEN WJ02X0218369GEN WJ43X0194375GEN WJ66X0177400GEN WJ02X0258400GEN WJ02X0257400GEN WJ02X0259401GEN WJ01X0348402GEN WJ01X0347406GEN WJ79X0302407GEN WJ79X0301408GEN WJ01X0292409GEN WP01X0005410GEN WJ43X0333436ACCUMULATOR CLAMP440GEN WJ75X0010575GEN WP70X0033590GEN WP79X0006605PANEL REAR610GEN WP81X0002615GEN WP81X0003620GEN WP79X0007625GEN WP81X0004630GEN WP66X0007635GEN WP66X0008640GEN WP66X0004702GEN WP43X0012703SCREW 12-24 X 1-1/4" HEX704GEN WZ10X0155705GEN WJ01X0370706GEN WJ01X0368713GEN WJ03X0287901GEN WP43X0003902GEN WJ60X0008967GEN WZ04X0275998PLUG 30FR HOLD DOWN BOLT998GEN WP01X0003