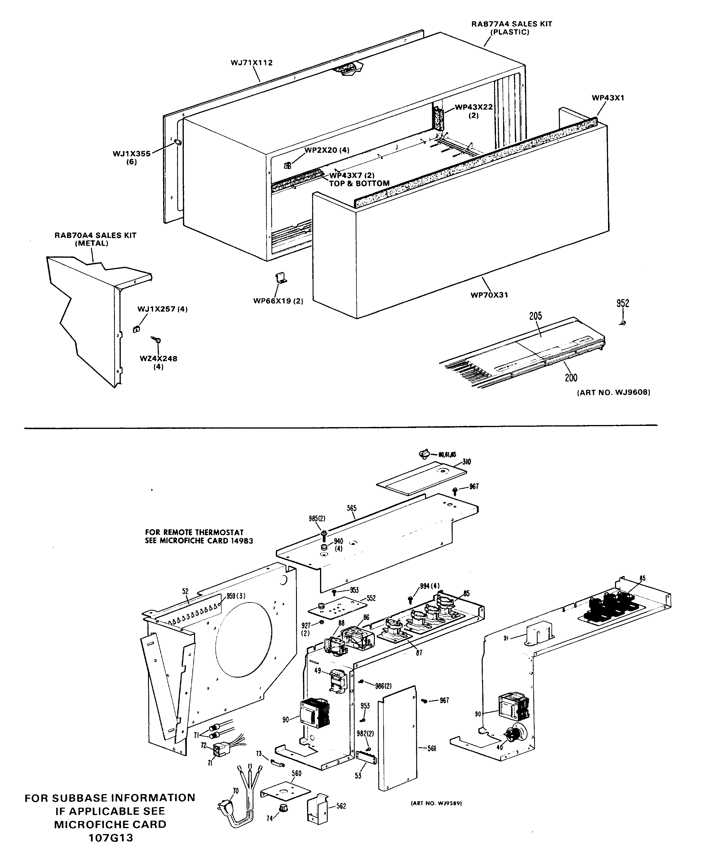
A2B769EPASD2 1admin2025-04-26T08:35:31+00:00A2B769EPASD2 1 ProductsPositionProduct35GEN WP28X003045GEN WP26X000646GEN WP26X001152GEN WP03X000161GEN WJ12X017065KNOB SPRING71GEN WP02X000672GEN WP02X000773GEN WJ03X0087200GRILLE DISCHARGE205GEN WP71X0026310GEN WP07X0048560GEN WP79X0018560GEN WP79X0008561GEN WP79X0004562GEN WP79X0012565GEN WP79X0003952GEN WZ02X0548952SCREW 10-16 X 5/8" HEX953SCREW 6-32 X 1/4" HEX959SCREW 10-16 X 1/2" HEX967GEN WZ04X0275983GEN WZ05X0153