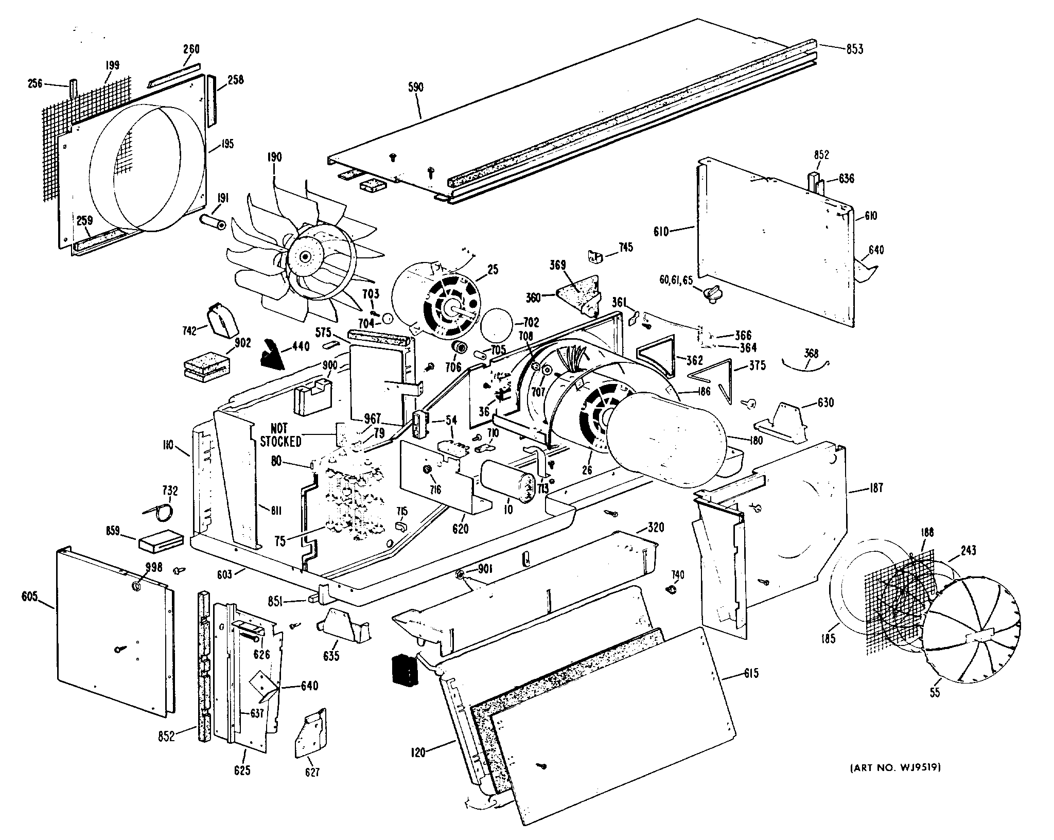
A2B779EVASD2 1admin2025-04-26T08:35:33+00:00A2B779EVASD2 1 ProductsPositionProduct10GEN WJ20X054710GEN WJ20X059425GEN WP94X000426PAN MOTOR - INDOOR36GEN WJ28X022454GEN WJ03X017155GEN WP85X000261GEN WJ12X017065KNOB SPRING75GEN WP70X003879GEN WP23X000780GEN WP23X0013180GEN WJ74X0136185GEN WP78X0002186GEN WP76X0001187GEN WP78X0003190GEN WJ73X0047191GEN WJ02X0153195GEN WP78X0010199GEN WJ85X0109243GEN WP71X0020256GASKET SEPARATE AIR258GEN WJ43X0408259GEN WJ44X0105260GEN WJ43X0409320GEN WP70X0072360GEN WJ70X0139361GEN WJ02X0219362GEN WP85X0001364GEN WP14X0002366GEN WP14X0001368GEN WJ02X0218369GEN WJ43X0194375GEN WJ66X0177440GEN WJ75X0010590GEN WP79X0006603GEN WP79X0028605PANEL REAR610GEN WP82X0012610GEN WP82X0007615GEN WP81X0006620GEN WP79X0007625GEN WP82X0008626GEN WP41X0012627GEN WJ66X0429630GEN WP66X0007635GEN WP66X0008636GEN WP82X0010637GEN WP82X0009640GEN WP66X0004702GEN WJ43X0240702SEAL DRIP TRAY - BARRIER703SCREW 12-24 X 1-1/4" HEX704GEN WZ10X0155705GEN WJ01X0370706GEN WJ01X0368707WASHER707GEN WZ10X0152708GEN WJ01X0445713GEN WJ03X0279715GEN WJ02X0410715GEN WJ02X0413715GEN WJ02X0392715GEN WJ02X0411716GEN WJ01X0651732WIRE STRAP740WIRE CLIP SNAP-IN742GEN WJ02X0443811GEN WP70X0073851GEN WP43X0017851SEAL BOTTOM D-F CASE852GEN WP43X0018852GEN WP43X0019853GEN WP43X0016859GEN WJ43X0399900GEN WP60X0010900GEN WP60X0011902GEN WJ60X0008967GEN WZ04X0275998PLUG 30FR HOLD DOWN BOLT998GEN WP01X0003