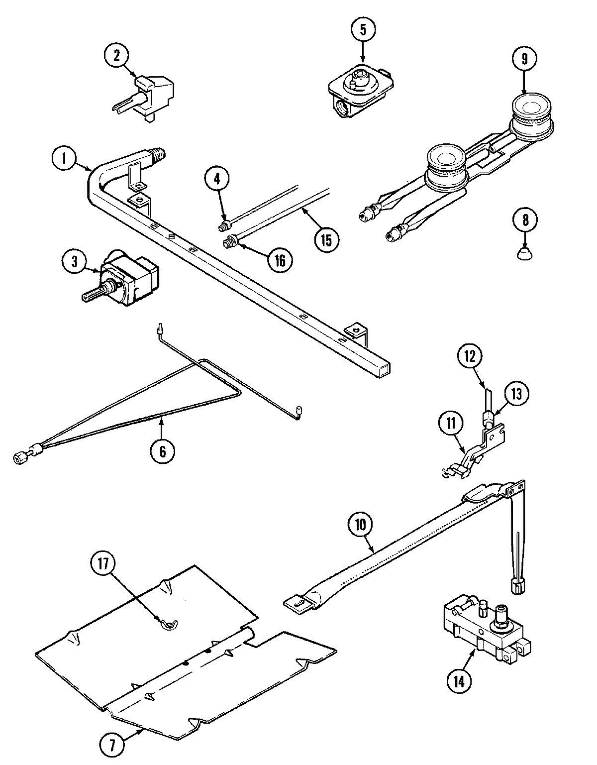
A31000PAAT 03 – GAS CONTROLS