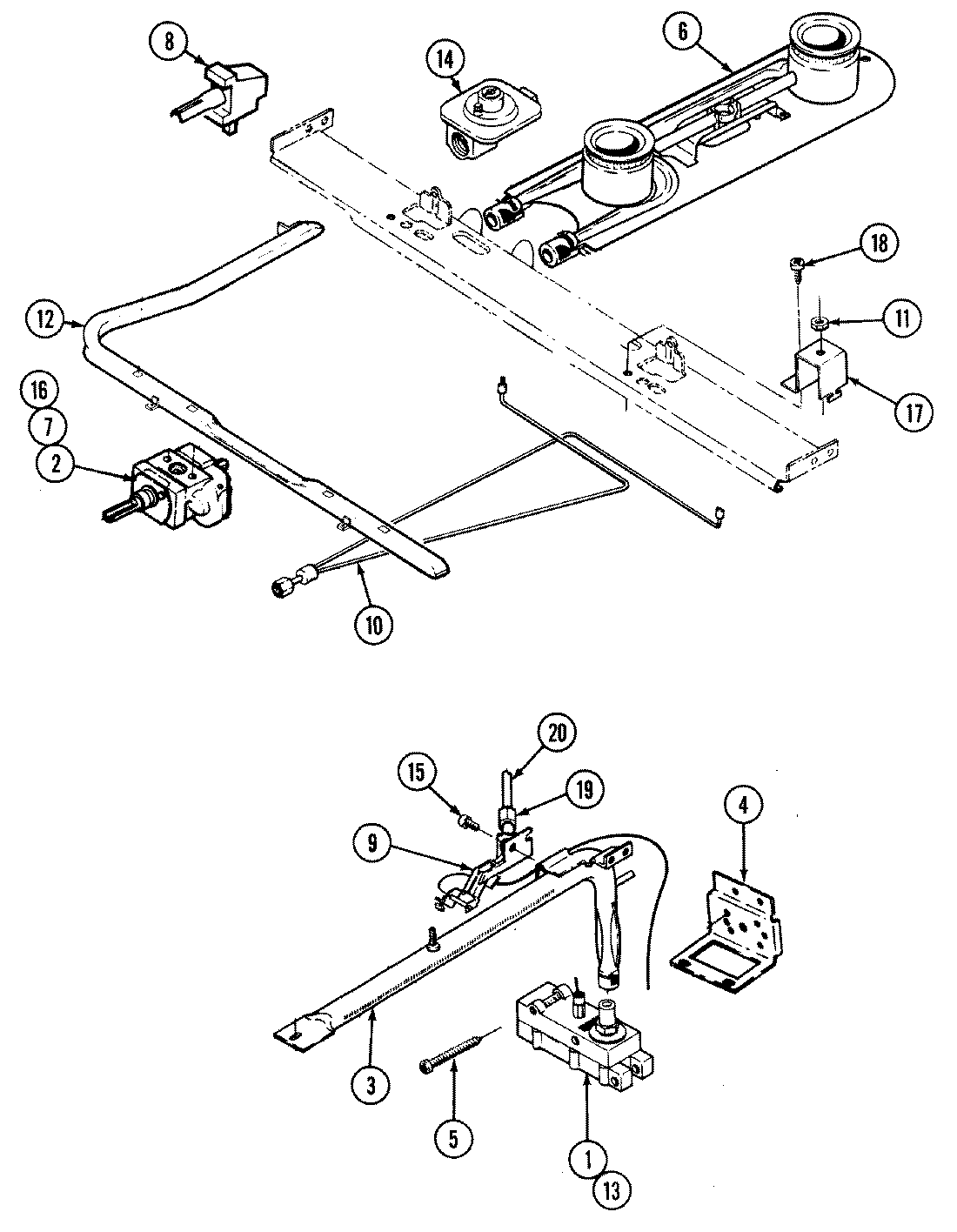
A3110PRALT 02 – CONTROL SYSTEMadmin2025-04-26T09:11:26+00:00A3110PRALT 02 – CONTROL SYSTEM ProductsPositionProduct1MAY 7501P127-602MAY 7515P036-602MAY 7101P010-603MAY 3403D023-454MAY 3801F238-455SCREW No.10 X 26MAY 3412A004-197MAY 3414F094-448MAY 7101P044-608MAY 7502P175-609MAY 7432P068-6010MAY 7505P194-6011MAY 7103P070-6012MAY 7513P132-6013MAY 155525114MAY 7510P001-6015WP4159193 Whirlpool Screw16MAY 155527917MAY 3807F204-3418MAY 7118P015-6019MAY 1555261K20MAY 3414F108-44