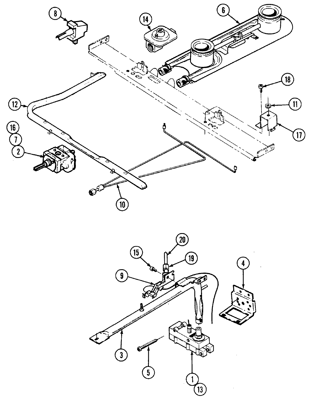
A3110PRWLT 02 – CONTROL SYSTEM