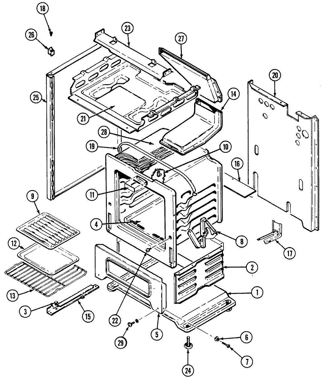
A3110XRALT 03 – OVEN/BODYadmin2025-04-26T09:09:54+00:00A3110XRALT 03 – OVEN/BODY ProductsPositionProduct1MAY 7103P125-601MAY 4003W028-672MAY 4016F039-453MAY 8016P010-604BAFFLE, OVEN BOTTOM4MAY 5504M004-195MAY 2201F077-196MAY 8004P024-607MAY 7101P334-608MAY 7106P055-609MAY Y3413F0161910WP7112P004-60 Whirlpool Thermal Clip11MAY 8114P335-6012MAY Y3401F0201913MAY 7801P047-6014WP74003976 Whirlpool Screw14MAY 4006W113-4515MAY 3404F018-5115MAY 3404F021-5116MAY 3807F416-4517MAY 3801F218-5117MAY 7101P289-6018MAY 7101P313-6019MAY 4820F001-5920MAY 4002F199-8021MAY 4011F218-8022WP4159193 Whirlpool Screw23MAY 3807F411-5124MAY 7101P306-6025MAY 2618F110-6426SPACER, MAIN TOP (LT)26SPACER, MAIN TOP (RT)27MAY 4022W007-1928MAY 4804F044-6028MAY 4804F039-6029MAY 7101P290-60