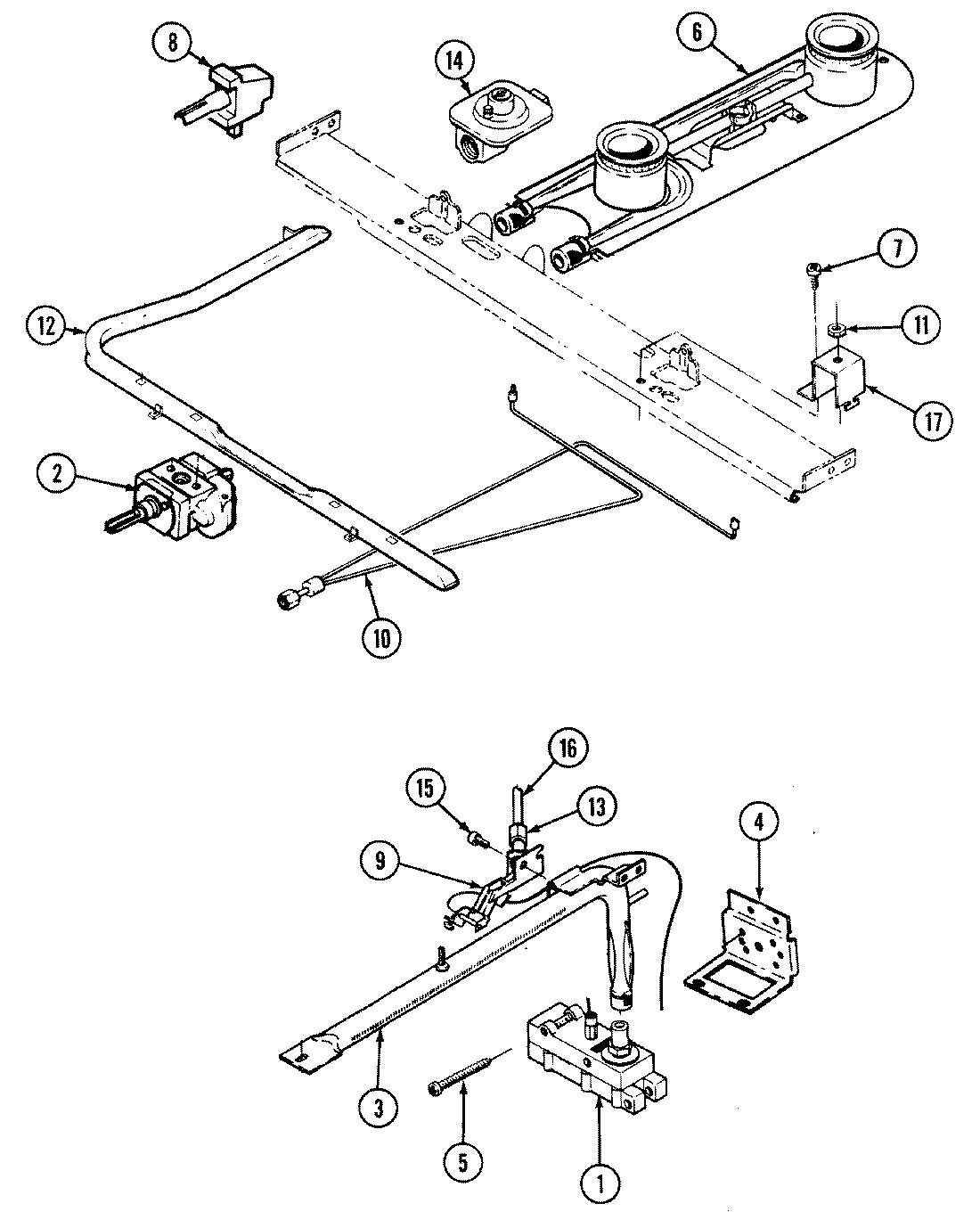
A3110XRWLT 02 – GAS CONTROLSadmin2025-04-26T09:11:11+00:00A3110XRWLT 02 – GAS CONTROLS ProductsPositionProduct1MAY 7501P104-602MAY 15552512MAY 15552792MAY 7101P010-602MAY 7515P036-603MAY 3403D023-454MAY 3801F238-455SCREW No.10 X 26MAY 3412A004-197MAY 7118P015-608MAY 7101P044-608MAY 7502P175-609MAY 7432P068-6010MAY 7505P194-6011MAY 7103P070-6012MAY 7513P132-6013MAY 1555261K14MAY 7510P001-6015WP4159193 Whirlpool Screw16MAY 3414F108-4416MAY 3414F094-4417MAY 3807F204-34