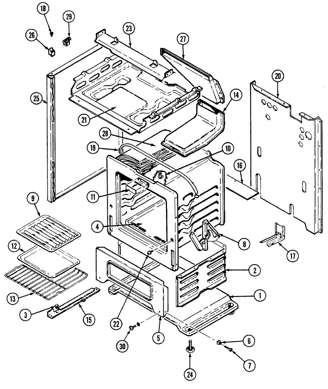
A3120SRALT 01 – BODY/OVENadmin2025-04-26T09:11:34+00:00A3120SRALT 01 – BODY/OVEN ProductsPositionProduct1MAY 4003W028-671MAY 7103P125-602MAY 4016F039-453MAY 8016P010-604MAY 3601F234-454MAY 5504A001-195MAY 2201F077-196MAY 8004P024-607MAY 7101P334-608MAY 7106P048-609MAY Y3413F0161910WP7112P004-60 Whirlpool Thermal Clip11MAY 8114P335-6012MAY Y3401F0201913MAY 7801P040-6014WP74003976 Whirlpool Screw14MAY 4006W113-4515MAY 3404F018-5115MAY 3404F021-5116MAY 3807F416-4517MAY 3801F218-5117MAY 7101P289-6018MAY 7101P313-6019MAY 4820F001-5920MAY 4002F188-8021MAY 4011F230-8022WP4159193 Whirlpool Screw23MAY 3807F411-5124MAY 7101P306-6025MAY 2618F085-6425MAY 2618F099-6426SPACER, MAIN TOP (RT)26SPACER, MAIN TOP (LT)27MAY 4022W005-1928MAY 4804F032-6028MAY 4804F031-6029MAY 8007P023-6030MAY 7101P290-60