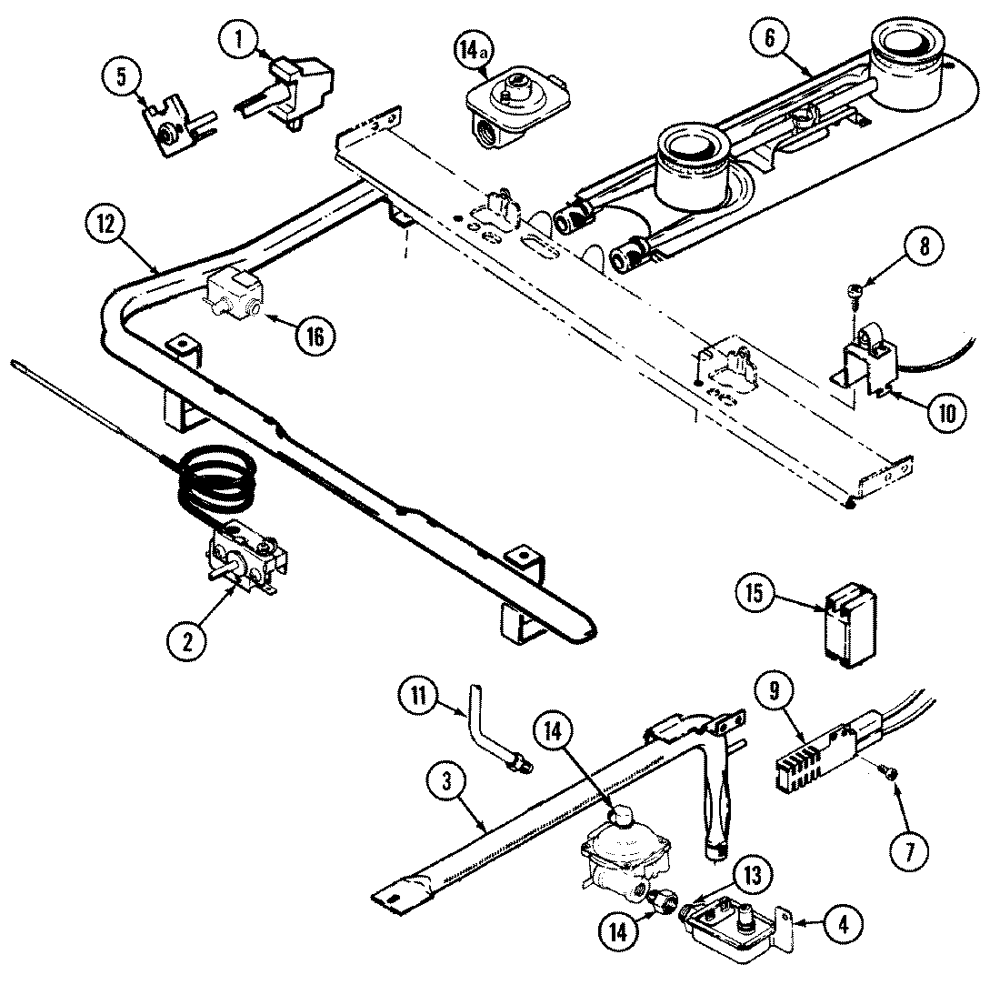
A3131WRA 02 – CONTROL SYSTEMadmin2025-04-26T09:09:54+00:00A3131WRA 02 – CONTROL SYSTEM ProductsPositionProduct1MAY 7101P044-601MAY 7502P174-602MAY 3604F177-512MAY 7404P084-602MAY 7101P280-603MAY 3403D023-454MAY 4005F334-514MAY 7501P099-605MAY 7403P284-606MAY 3412A004-197SCREW (10-24X5/16-NI)8MAY 7118P015-609MAY 7432P067-6010MAY 7432P031-6010MAY 7432P008-6011MAY 3414F104-4412MAY 7513P105-6013MAY 7103P130-6014MAY 7510P050-6014MAY 7101P290-6015MAY 7431P006-6015MAY 3807F432-4516MAY 7502P002-60