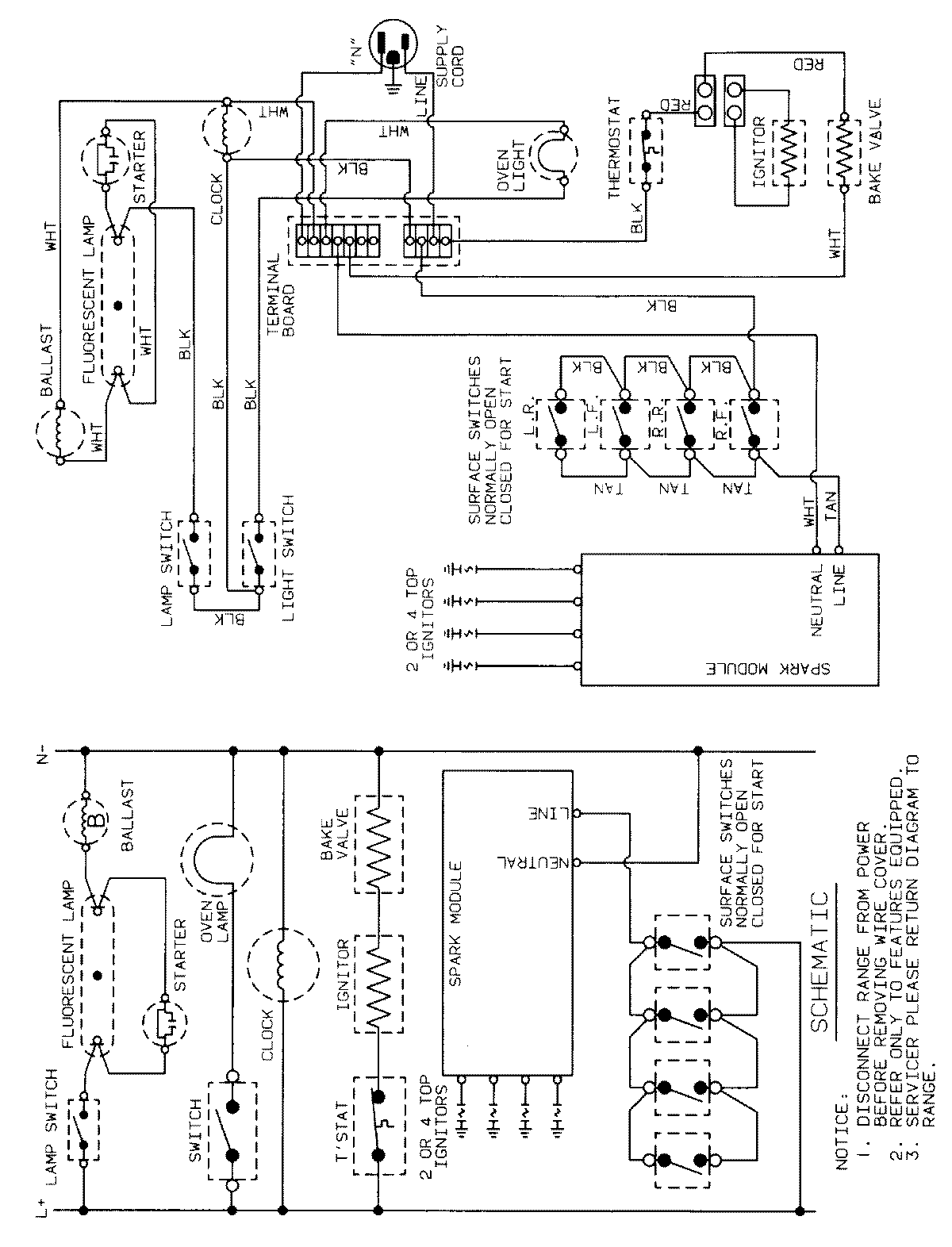
A3137XUALT 07 – WIRING INFORMATIONadmin2025-04-26T09:11:51+00:00A3137XUALT 07 – WIRING INFORMATION ProductsPositionProductNIMAY 15001339