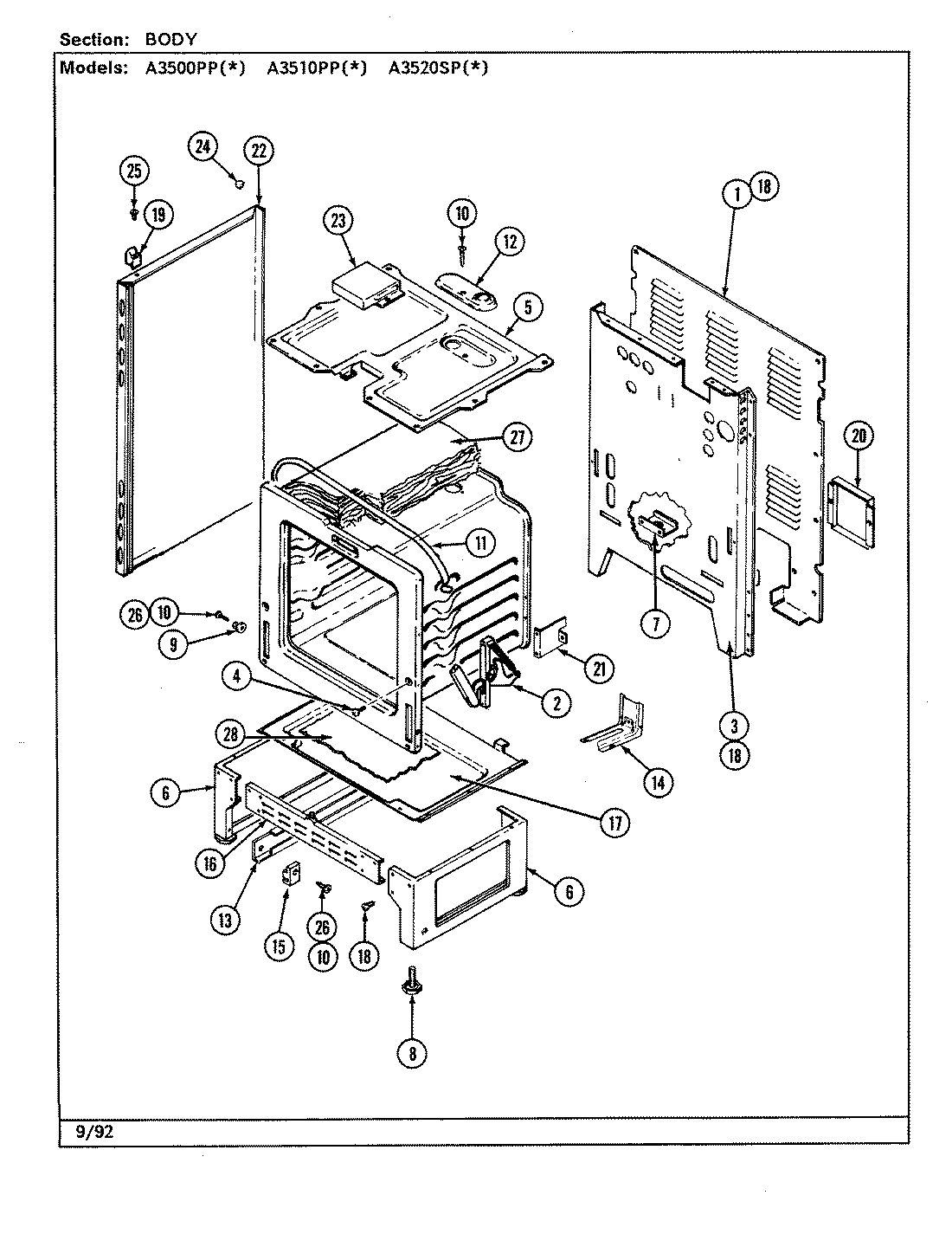
A3520SPA 01 – BODYadmin2025-04-26T09:09:52+00:00A3520SPA 01 – BODY ProductsPositionProduct2MAY 7106P032-603MAY 4002F177-804SCREW, HINGE5MAY 4011F208-196MAY 4020F002-807MAY 3605F174-518MAY 7101P306-609MAY 8004P024-6010SCREW11MAY 4820F001-5912MAY 4005F350-4513MAY 3406F028-5114MAY 7101P289-6014MAY 3801F218-5115MAY 8004P025-6016MAY 4020F001-8017MAY 3804F109-5119SPACER, MAIN TOP (RT)19SPACER, MAIN TOP (LT)20MAY 4005F376-5121SUPPORT,OVEN REAR22MAY 7101P290-6025MAY 7118P013-6026MAY 7101P300-6027MAY 4804F017-6027MAY 4804F018-6028MAY 8312P058-60